Toro 23022 - Lawnmower, 1983 (3000001-3999999) ENGINE BRIGGS & STRATTON MODEL 130902-1162-01 #2 Ersatzteile
ENGINE BRIGGS & STRATTON MODEL 130902-1162-01 #2 23022 - Toro Lawnmower, 1983 (3000001-3999999)

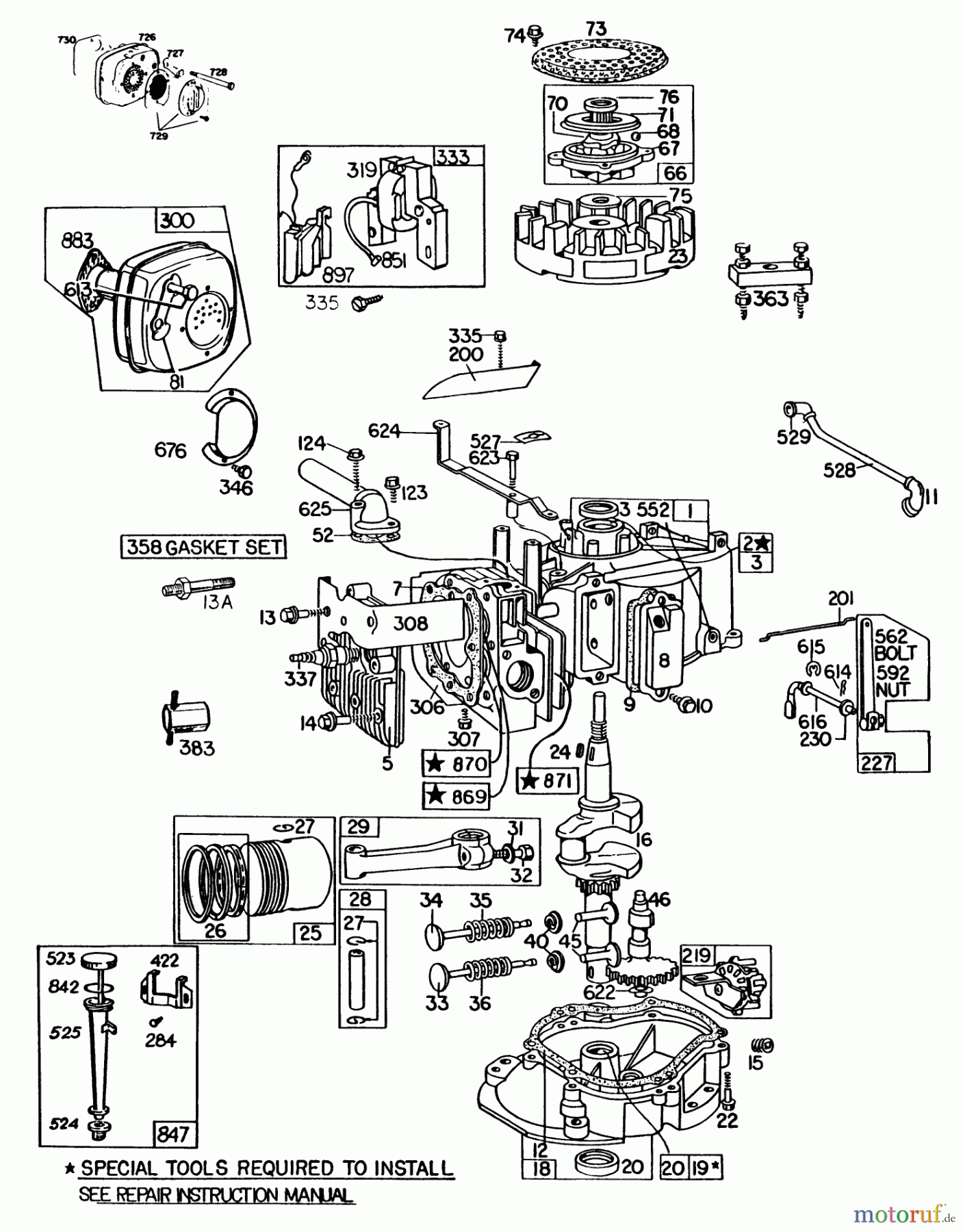
Hier finden Sie die Ersatzteilzeichnung für Toro Neu Mowers, Walk-Behind Seite 2 23022 - Toro Lawnmower, 1983 (3000001-3999999) ENGINE BRIGGS & STRATTON MODEL 130902-1162-01 #2. Wählen Sie das benötigte Ersatzteil aus der Ersatzteilliste Ihres Toro Gerätes aus und bestellen Sie einfach online. Viele Toro Ersatzteile halten wir ständig in unserem Lager für Sie bereit.


Qualitätsmanagement
Informieren Sie uns, wenn Sie einen Fehler gefunden haben.





