Toro 23022 - 21" Whirlwind Hevi-Duty Lawnmower, 1977 (7000001-7999999) REMOTE FUEL TANK KIT NO. 28-5590 Ersatzteile
REMOTE FUEL TANK KIT NO. 28-5590 23022 - Toro 21" Whirlwind Hevi-Duty Lawnmower, 1977 (7000001-7999999)

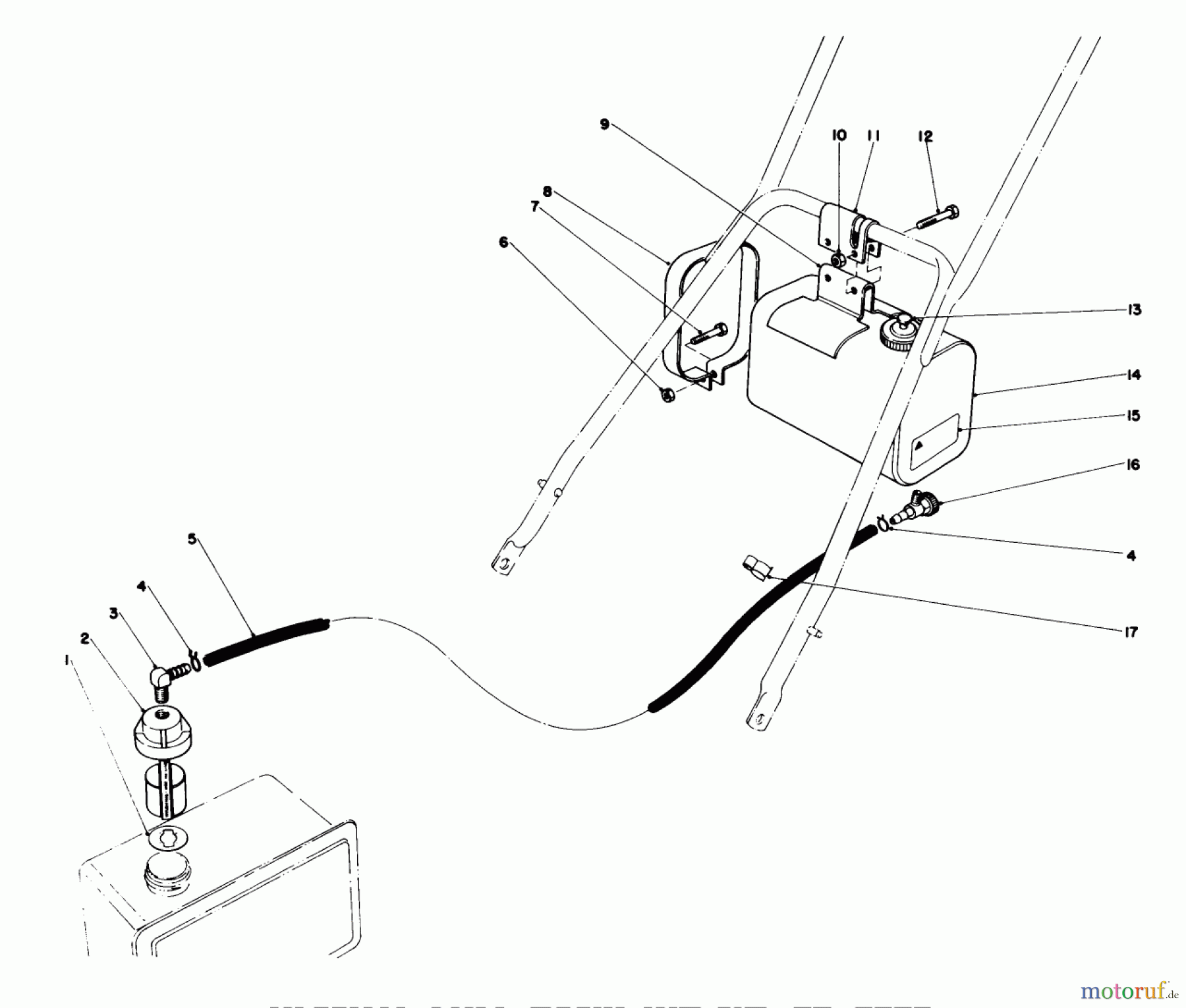
Hier finden Sie die Ersatzteilzeichnung für Toro Neu Mowers, Walk-Behind Seite 2 23022 - Toro 21" Whirlwind Hevi-Duty Lawnmower, 1977 (7000001-7999999) REMOTE FUEL TANK KIT NO. 28-5590. Wählen Sie das benötigte Ersatzteil aus der Ersatzteilliste Ihres Toro Gerätes aus und bestellen Sie einfach online. Viele Toro Ersatzteile halten wir ständig in unserem Lager für Sie bereit.
| BildNr | Artikel Nummer | Bezeichnung | |
| 1 | TR28-4850 | DISCONTINUED | |
| 2 | TR28-4840 | Ventil | |
| 3 | TR304-75 | Winkelstueck | |
| 4 | TR2412-36 | Klemme | |
| 5 | TR28-5600 | DISCONTINUED | |
| 6 | ![]() | TR3296-42 | Mutter |
| 7 | TR321-10 | Schraube | |
| 8 | TR3-6346 | SPANNBAND | |
| 9 | TR3-6345 | DISCONTINUED | |
| 10 | ![]() | TR32153-3 | Mutter |
| 11 | TR22-5060 | TANKHALTER | |
| 12 | TR322-7 | Schraube | |
| 13 | TR222-15 | Verschluss | |
| 14 | TR52-2331 | Tank | |
| 15 | TR28-6910 | DISCONTINUE | |
| 16 | TR304-71 | Benzinhahn | |
| 17 | TR3-5181 | KLEMME | |


Qualitätsmanagement
Informieren Sie uns, wenn Sie einen Fehler gefunden haben.



