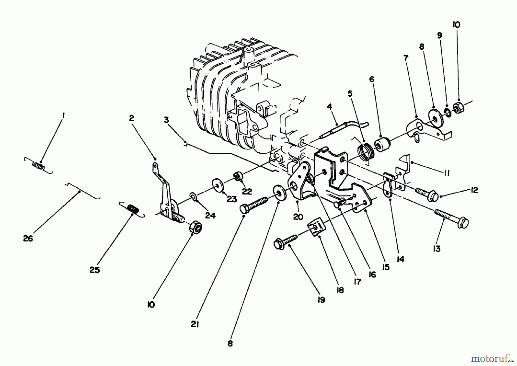
Toro 22700B - 21" Commercial, Side Discharge Mower, 1993 (39000001-39999999) GOVERNOR ASSEMBLY (MODEL NO. 47PN2-3) Ersatzteile
GOVERNOR ASSEMBLY (MODEL NO. 47PN2-3) 22700B - Toro 21" Commercial, Side Discharge Mower, 1993 (39000001-39999999)

Hier finden Sie die Ersatzteilzeichnung für Toro Neu Mowers, Walk-Behind Seite 2 22700B - Toro 21" Commercial, Side Discharge Mower, 1993 (39000001-39999999) GOVERNOR ASSEMBLY (MODEL NO. 47PN2-3). Wählen Sie das benötigte Ersatzteil aus der Ersatzteilliste Ihres Toro Gerätes aus und bestellen Sie einfach online. Viele Toro Ersatzteile halten wir ständig in unserem Lager für Sie bereit.




