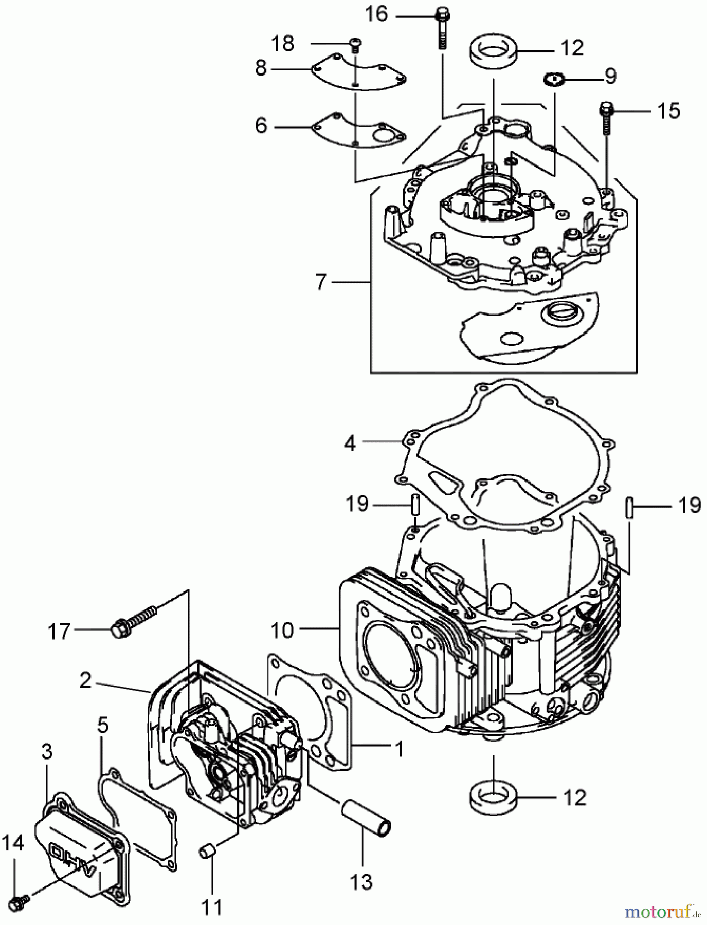
Toro 22177 - 21" Heavy-Duty Recycler/Rear Bagger Lawnmower, 2006 (260000001-260999999) CYLINDER AND CRANKCASE ASSEMBLY Ersatzteile
CYLINDER AND CRANKCASE ASSEMBLY 22177 - Toro 21" Heavy-Duty Recycler/Rear Bagger Lawnmower, 2006 (260000001-260999999)

Hier finden Sie die Ersatzteilzeichnung für Toro Neu Mowers, Walk-Behind Seite 2 22177 - Toro 21" Heavy-Duty Recycler/Rear Bagger Lawnmower, 2006 (260000001-260999999) CYLINDER AND CRANKCASE ASSEMBLY. Wählen Sie das benötigte Ersatzteil aus der Ersatzteilliste Ihres Toro Gerätes aus und bestellen Sie einfach online. Viele Toro Ersatzteile halten wir ständig in unserem Lager für Sie bereit.



