Toro 22167 - 21" Heavy-Duty Recycler/Rear Bagger Lawnmower, 2006 (260000001-260999999) RECOIL STARTER ASSEMBLY HONDA GXV160K1-A1T Ersatzteile
RECOIL STARTER ASSEMBLY HONDA GXV160K1-A1T 22167 - Toro 21" Heavy-Duty Recycler/Rear Bagger Lawnmower, 2006 (260000001-260999999)

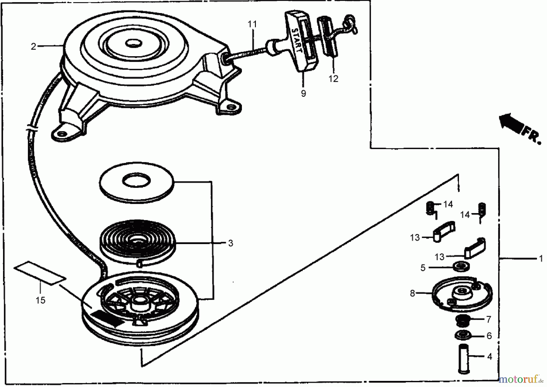
Hier finden Sie die Ersatzteilzeichnung für Toro Neu Mowers, Walk-Behind Seite 2 22167 - Toro 21" Heavy-Duty Recycler/Rear Bagger Lawnmower, 2006 (260000001-260999999) RECOIL STARTER ASSEMBLY HONDA GXV160K1-A1T. Wählen Sie das benötigte Ersatzteil aus der Ersatzteilliste Ihres Toro Gerätes aus und bestellen Sie einfach online. Viele Toro Ersatzteile halten wir ständig in unserem Lager für Sie bereit.
| BildNr | Artikel Nummer | Bezeichnung | |
| 1 | TR28400-ZG9-W52 | ||
| 2 | TR28402-ZG9-802 | ||
| 3 | Honda 28415-ZG9-802 | ||
| 4 | Honda 28419-ZG9-802 | ||
| 5 | Honda 28431-ZG9-802 | ||
| 6 | Honda 28432-ZG9-802 | ||
| 7 | Honda 28441-ZG9-802 | ||
| 8 | Honda 28444-ZG9-802 | ||
| 9 | Honda 28461-ZE6-T02 | ||
| 11 | Honda 28462-ZG9-W52 | ||
| 12 | Honda 28463-ZE6-T02 | ||
| 13 | Honda 28485-ZE6-T02 | ||
| 14 | Honda 28486-ZE6-T02 | ||
| 15 | TR87284-ZG9-W52 | ||



