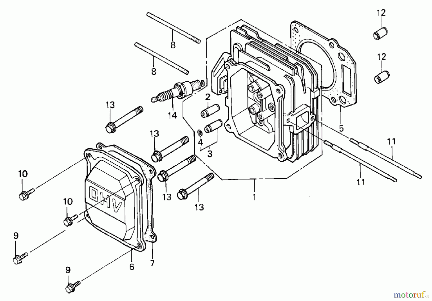
Toro 22167 - 21" Heavy-Duty Recycler/Rear Bagger Lawnmower, 2003 (230000001-230999999) CYLINDER HEAD ASSEMBLY HONDA GXV160K1 A1 Ersatzteile
CYLINDER HEAD ASSEMBLY HONDA GXV160K1 A1 22167 - Toro 21" Heavy-Duty Recycler/Rear Bagger Lawnmower, 2003 (230000001-230999999)

Hier finden Sie die Ersatzteilzeichnung für Toro Neu Mowers, Walk-Behind Seite 2 22167 - Toro 21" Heavy-Duty Recycler/Rear Bagger Lawnmower, 2003 (230000001-230999999) CYLINDER HEAD ASSEMBLY HONDA GXV160K1 A1. Wählen Sie das benötigte Ersatzteil aus der Ersatzteilliste Ihres Toro Gerätes aus und bestellen Sie einfach online. Viele Toro Ersatzteile halten wir ständig in unserem Lager für Sie bereit.



