Toro 22151 - Lawnmower, 1992 (2000001-2999999) GAS TANK ASSEMBLY Ersatzteile
GAS TANK ASSEMBLY 22151 - Toro Lawnmower, 1992 (2000001-2999999)

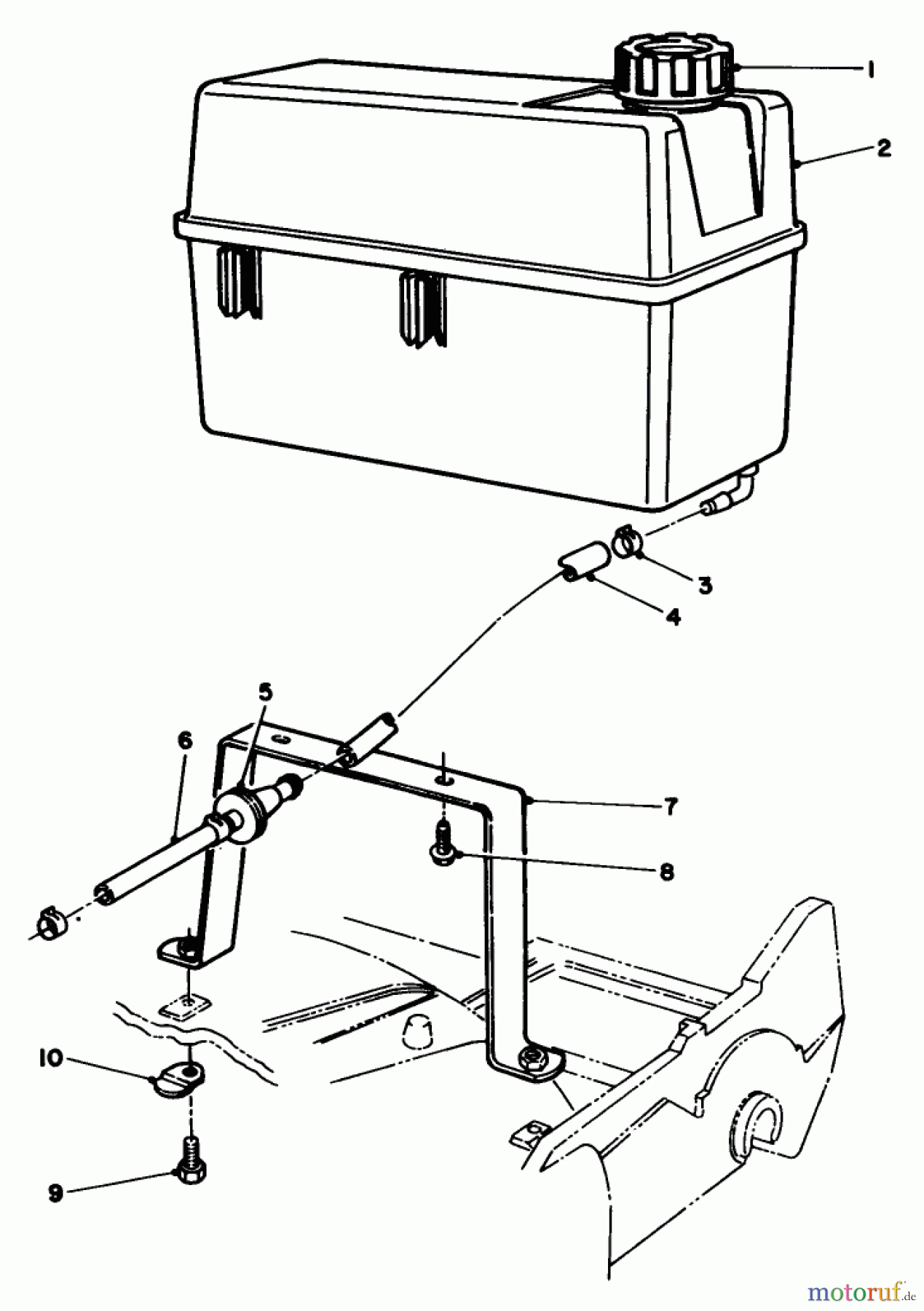
Hier finden Sie die Ersatzteilzeichnung für Toro Neu Mowers, Walk-Behind Seite 2 22151 - Toro Lawnmower, 1992 (2000001-2999999) GAS TANK ASSEMBLY. Wählen Sie das benötigte Ersatzteil aus der Ersatzteilliste Ihres Toro Gerätes aus und bestellen Sie einfach online. Viele Toro Ersatzteile halten wir ständig in unserem Lager für Sie bereit.
| BildNr | Artikel Nummer | Bezeichnung | |
| 1 | TR55-3570 | GAS CAP ASM | |
| 2 | TR17-4909 | Tank | |
| 3 | TR2412-95 | CLAMP-FUEL LINE | |
| 4 | TR68-3630 | DISCONTINUED | |
| 5 | TR71-9280 | FILTER-FUEL | |
| 6 | TR51-3214 | Benzinleitung | |
| 7 | TR84-9170-03 | Tankhalterung | |
| 8 | TR46-8091 | Schraube | |
| 9 | TR323-7 | Schraube | |
| 10 | TR84-8930 | Lasche | |



