Toro 22151 - Lawnmower, 1992 (2000001-2999999) ENGINE GTS 150 77-9140 #1 Ersatzteile
ENGINE GTS 150 77-9140 #1 22151 - Toro Lawnmower, 1992 (2000001-2999999)

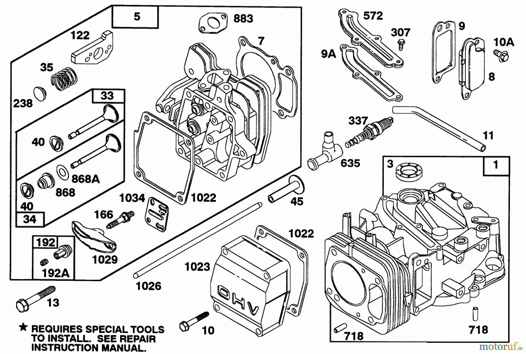
Hier finden Sie die Ersatzteilzeichnung für Toro Neu Mowers, Walk-Behind Seite 2 22151 - Toro Lawnmower, 1992 (2000001-2999999) ENGINE GTS 150 77-9140 #1. Wählen Sie das benötigte Ersatzteil aus der Ersatzteilliste Ihres Toro Gerätes aus und bestellen Sie einfach online. Viele Toro Ersatzteile halten wir ständig in unserem Lager für Sie bereit.


Qualitätsmanagement
Informieren Sie uns, wenn Sie einen Fehler gefunden haben.

