Toro 22043 - Recycler Mower, 2002 (220000001-220999999) CARBURETOR ASSEMBLY Ersatzteile
CARBURETOR ASSEMBLY 22043 - Toro Recycler Mower, 2002 (220000001-220999999)

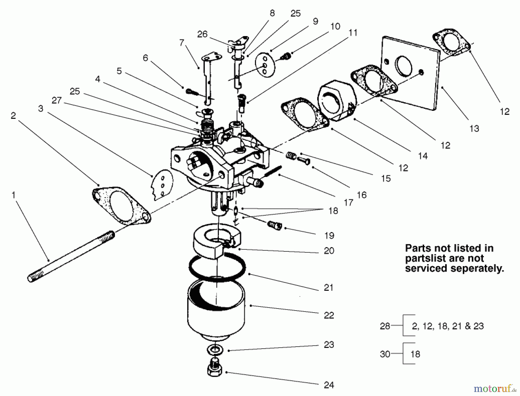
Hier finden Sie die Ersatzteilzeichnung für Toro Neu Mowers, Walk-Behind Seite 2 22043 - Toro Recycler Mower, 2002 (220000001-220999999) CARBURETOR ASSEMBLY. Wählen Sie das benötigte Ersatzteil aus der Ersatzteilliste Ihres Toro Gerätes aus und bestellen Sie einfach online. Viele Toro Ersatzteile halten wir ständig in unserem Lager für Sie bereit.


Qualitätsmanagement
Informieren Sie uns, wenn Sie einen Fehler gefunden haben.



