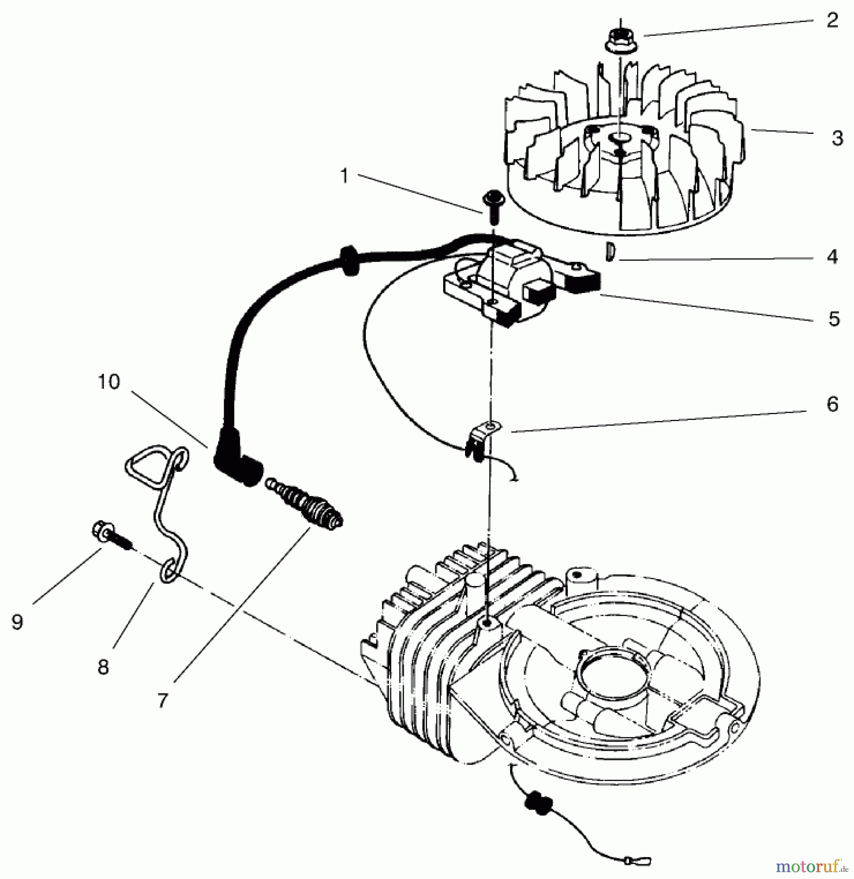
Toro 22043 - Lawnmower, 1997 (7900001-7999999) IGNITION ASSEMBLY (MODEL NO. 47PS5-3)(SERIAL NO. 6900001-7901902)(MODEL NO. 47PT7-3)(SERIAL NO. 7901903 & UP) Ersatzteile
IGNITION ASSEMBLY (MODEL NO. 47PS5-3)(SERIAL NO. 6900001-7901902)(MODEL NO. 47PT7-3)(SERIAL NO. 7901903 & UP) 22043 - Toro Lawnmower, 1997 (7900001-7999999)

Hier finden Sie die Ersatzteilzeichnung für Toro Neu Mowers, Walk-Behind Seite 2 22043 - Toro Lawnmower, 1997 (7900001-7999999) IGNITION ASSEMBLY (MODEL NO. 47PS5-3)(SERIAL NO. 6900001-7901902)(MODEL NO. 47PT7-3)(SERIAL NO. 7901903 & UP). Wählen Sie das benötigte Ersatzteil aus der Ersatzteilliste Ihres Toro Gerätes aus und bestellen Sie einfach online. Viele Toro Ersatzteile halten wir ständig in unserem Lager für Sie bereit.



