Toro 22040 - ProLine 21" Recycler II Lawnmower, 2000 (200000001-200999999) CRANKSHAFT ASSEMBLY (MODEL NO. 48PW) Ersatzteile
CRANKSHAFT ASSEMBLY (MODEL NO. 48PW) 22040 - Toro ProLine 21" Recycler II Lawnmower, 2000 (200000001-200999999)

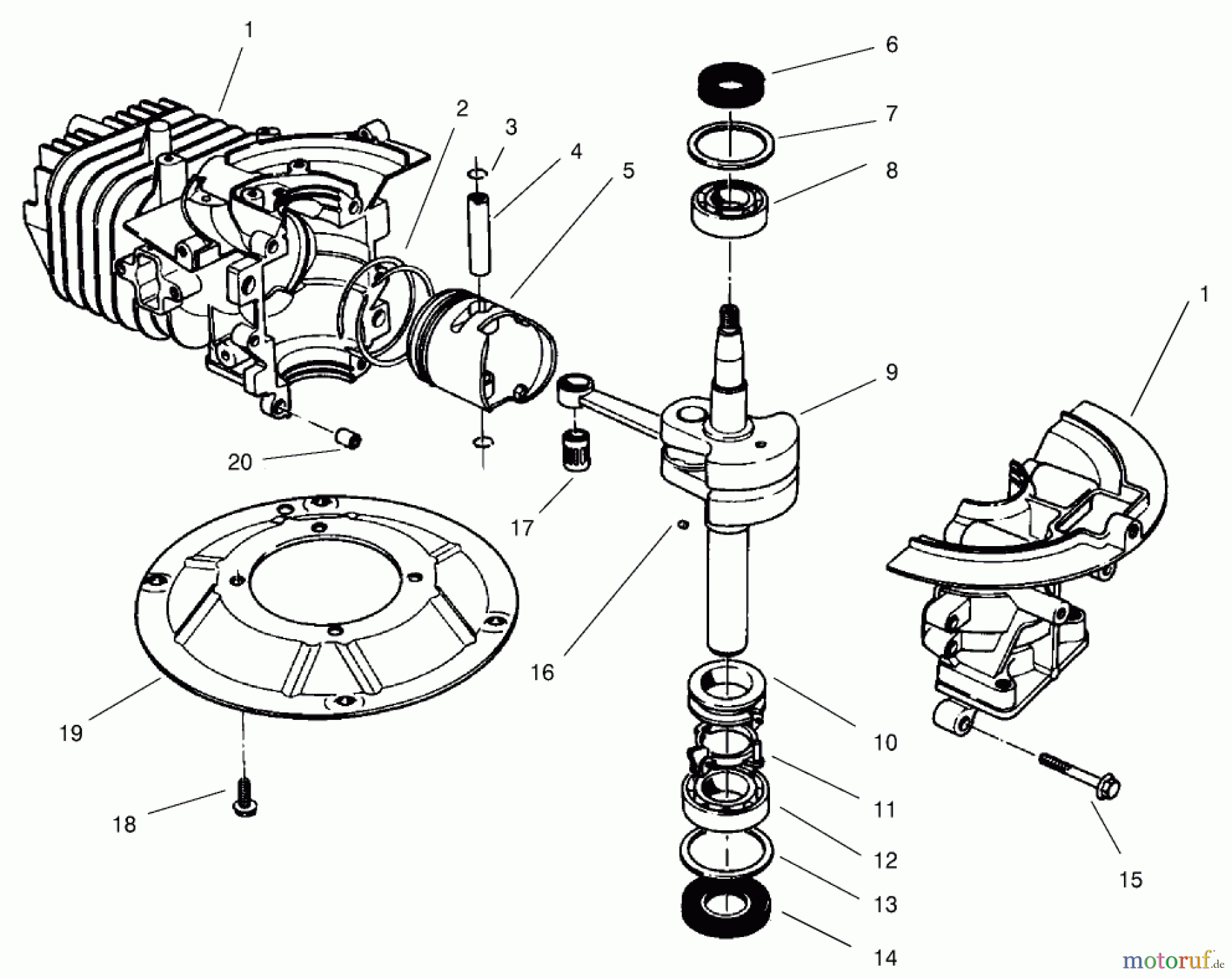
Hier finden Sie die Ersatzteilzeichnung für Toro Neu Mowers, Walk-Behind Seite 2 22040 - Toro ProLine 21" Recycler II Lawnmower, 2000 (200000001-200999999) CRANKSHAFT ASSEMBLY (MODEL NO. 48PW). Wählen Sie das benötigte Ersatzteil aus der Ersatzteilliste Ihres Toro Gerätes aus und bestellen Sie einfach online. Viele Toro Ersatzteile halten wir ständig in unserem Lager für Sie bereit.


Qualitätsmanagement
Informieren Sie uns, wenn Sie einen Fehler gefunden haben.

