Einstellungen Computer

Toro 22037B - Proline 21" Recycler Mower, 1993 (39000001-39999999) IGNITION ASSEMBLY (MODEL NO. 47PN2-3) Ersatzteile

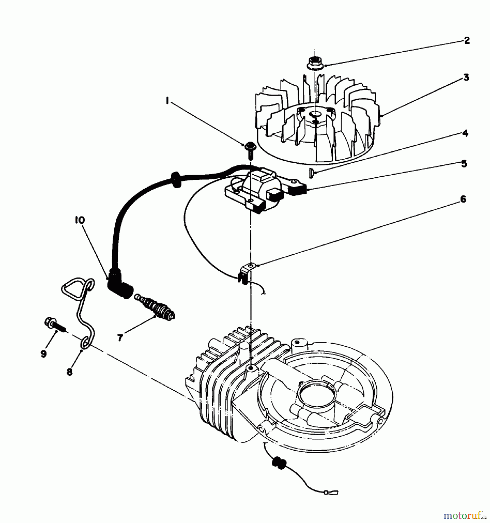
IGNITION ASSEMBLY (MODEL NO. 47PN2-3) 22037B - Toro Proline 21" Recycler Mower, 1993 (39000001-39999999)

 Toro Neu Mowers, Walk-Behind Seite 2 22037B - Toro Proline 21

Hier finden Sie die Ersatzteilzeichnung für Toro Neu Mowers, Walk-Behind Seite 2 22037B - Toro Proline 21" Recycler Mower, 1993 (39000001-39999999) IGNITION ASSEMBLY (MODEL NO. 47PN2-3). Wählen Sie das benötigte Ersatzteil aus der Ersatzteilliste Ihres Toro Gerätes aus und bestellen Sie einfach online. Viele Toro Ersatzteile halten wir ständig in unserem Lager für Sie bereit.

Rasen
Bankeinzug, MasterCard, Visa, American Express, PayPal, Nachnahme, Vorauskasse, Sofortüberweisung
Datenschutzerklärung Impressum
Qualitätsmanagement
Informieren Sie uns, wenn Sie einen Fehler gefunden haben.