Einstellungen Computer

Toro 22036 - Lawnmower, 1991 (1000001-1999999) GEAR CASE ASSEMBLY Ersatzteile

GEAR CASE ASSEMBLY 22036 - Toro Lawnmower, 1991 (1000001-1999999)

 Toro Neu Mowers, Walk-Behind Seite 2 22036 - Toro Lawnmower, 1991 (1000001-1999999) GEAR CASE ASSEMBLY

Hier finden Sie die Ersatzteilzeichnung für Toro Neu Mowers, Walk-Behind Seite 2 22036 - Toro Lawnmower, 1991 (1000001-1999999) GEAR CASE ASSEMBLY. Wählen Sie das benötigte Ersatzteil aus der Ersatzteilliste Ihres Toro Gerätes aus und bestellen Sie einfach online. Viele Toro Ersatzteile halten wir ständig in unserem Lager für Sie bereit.

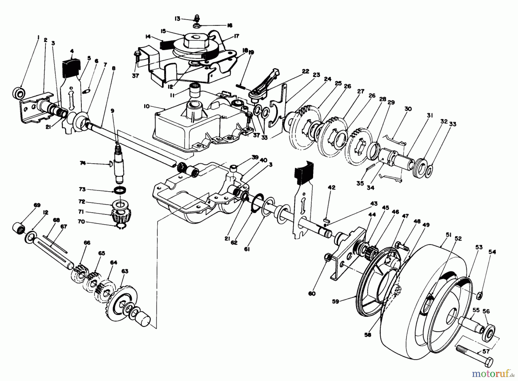
BildNrArtikel NummerBezeichnung
1 TR52-2450Radlager
2 TR74-1851Radaufhaengung
3 TR48-2060Nadellager
4 TR25-7740Hebelknopf
5 TR66-7561Stellhebel
6 TR302-62Nippel
7 TR48-2170Abdeckkappe
8 TR74-1890SHAFT-OUTPUT
9 TR13-5149Schneckenwelle
10 TR13-9739Getriebedeckel
11 TR47-7270Nadellager
12 TR36-4792WASHER-THRUST
13 TR302-63Schmiernippel
14 TR36-8070Keilriemen
15 TR39-6740Keilriemenscheibe
16 TR3296-5Stopmutter
17 TR74-1750-03Getriebeaufhaengung
18 TR49-8461-03BRACKET-GUIDE, BELT
19 TR32121-99Spannhuelse
21 Toro SimmerringTR47-6730Simmerring
22 TR74-1960Schalthebel
23 TR60-8870Schaltklaue
24 TR29-9690Scheibe
25 TR42-4740Zahnrad 38 Zaehne
26 TR36-4770WASHER
27 TR29-9271Zahnrad
28 TR46-3560Zahnrad
29 TR55-8020Keilarretierung
30 TR29-9330Schiebekeil
31 TR39-6720SLEEVE
32 TR29-9340Stellring
33 Toro ScheibeTR36-4780Scheibe
34 TR55-8010Gleitbuchse
35 TR3285-19Stift
37 TR49-2040Schraube
39 TR29-9570Buchse
40 TR119-7863GEARCASE-LOWER
42 TR39-9680KEY RECTANGULAR
43 TR39-9650Feder
44 TR49-7700Scheibe
45 TR62-3830Scheibe
46 TR39-9160Zahnrad
47 Toro RING-RETAININGTR32151-68RING-RETAINING
48 TR321-2Schraube
49 TR121-1378-06WHEEL HALF AND GEAR ASM
51 TR53-7740Reifen
52 TR52-2410Radnabe
53 TR121-1365-06RIM-HALF, WHEEL
54 Toro MutterTR3296-42Mutter
55 TR52-2440Radbuechse
56 TR52-2450Radlager
57 Toro SchraubeTR3231-2Schraube
58 TR74-1650Buchse
59 TR74-1640Abdeckung
60 TR32152-2NUT-LOCK, CONE
61 TR74-1810WASHER
62 TR32151-36Sicherungsring
63 TR74-1760Tellerrad
64 TR46-3540Zahnrad
65 TR46-3550Zahnrad
66 TR39-6650Zahnrad
67 TR53-7950Welle
68 TR39-7842KEY
69 TR252-103Nadellager
70 TR32151-57Sicherungsring
71 TR39-6660PINION-BEVEL
72 TR47-2910Scheibe
73 TR47-7260Simmerring
74 TR3257-1Keil
TR74-1860
TR121-1379WHEEL AND TIRE ASM
Rasen
Bankeinzug, MasterCard, Visa, American Express, PayPal, Nachnahme, Vorauskasse, Sofortüberweisung
Datenschutzerklärung Impressum
Qualitätsmanagement
Informieren Sie uns, wenn Sie einen Fehler gefunden haben.