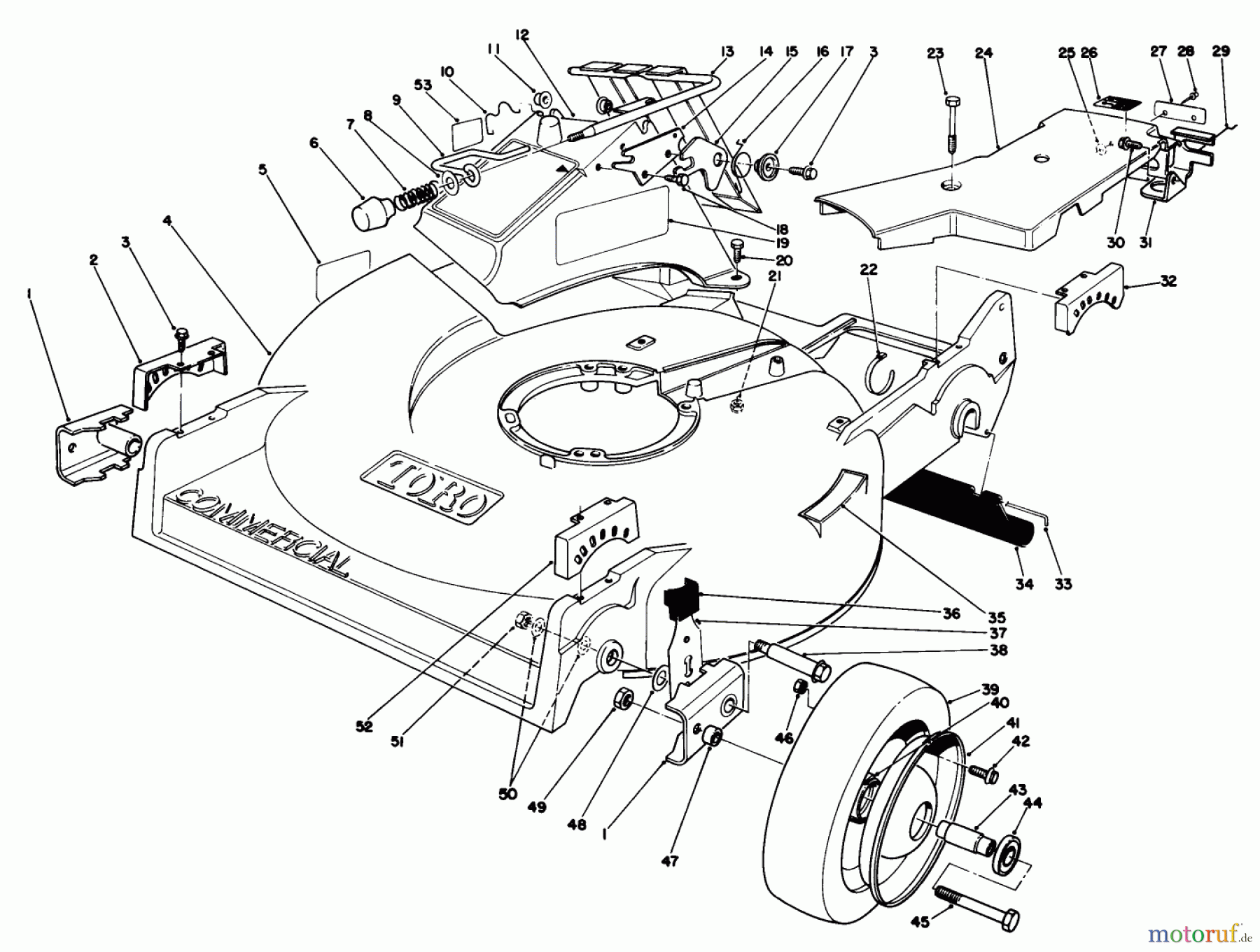
Toro 22035C - Lawnmower, 1987 (7000001-7999999) HOUSING ASSEMBLY Ersatzteile
HOUSING ASSEMBLY 22035C - Toro Lawnmower, 1987 (7000001-7999999)

Hier finden Sie die Ersatzteilzeichnung für Toro Neu Mowers, Walk-Behind Seite 2 22035C - Toro Lawnmower, 1987 (7000001-7999999) HOUSING ASSEMBLY. Wählen Sie das benötigte Ersatzteil aus der Ersatzteilliste Ihres Toro Gerätes aus und bestellen Sie einfach online. Viele Toro Ersatzteile halten wir ständig in unserem Lager für Sie bereit.








