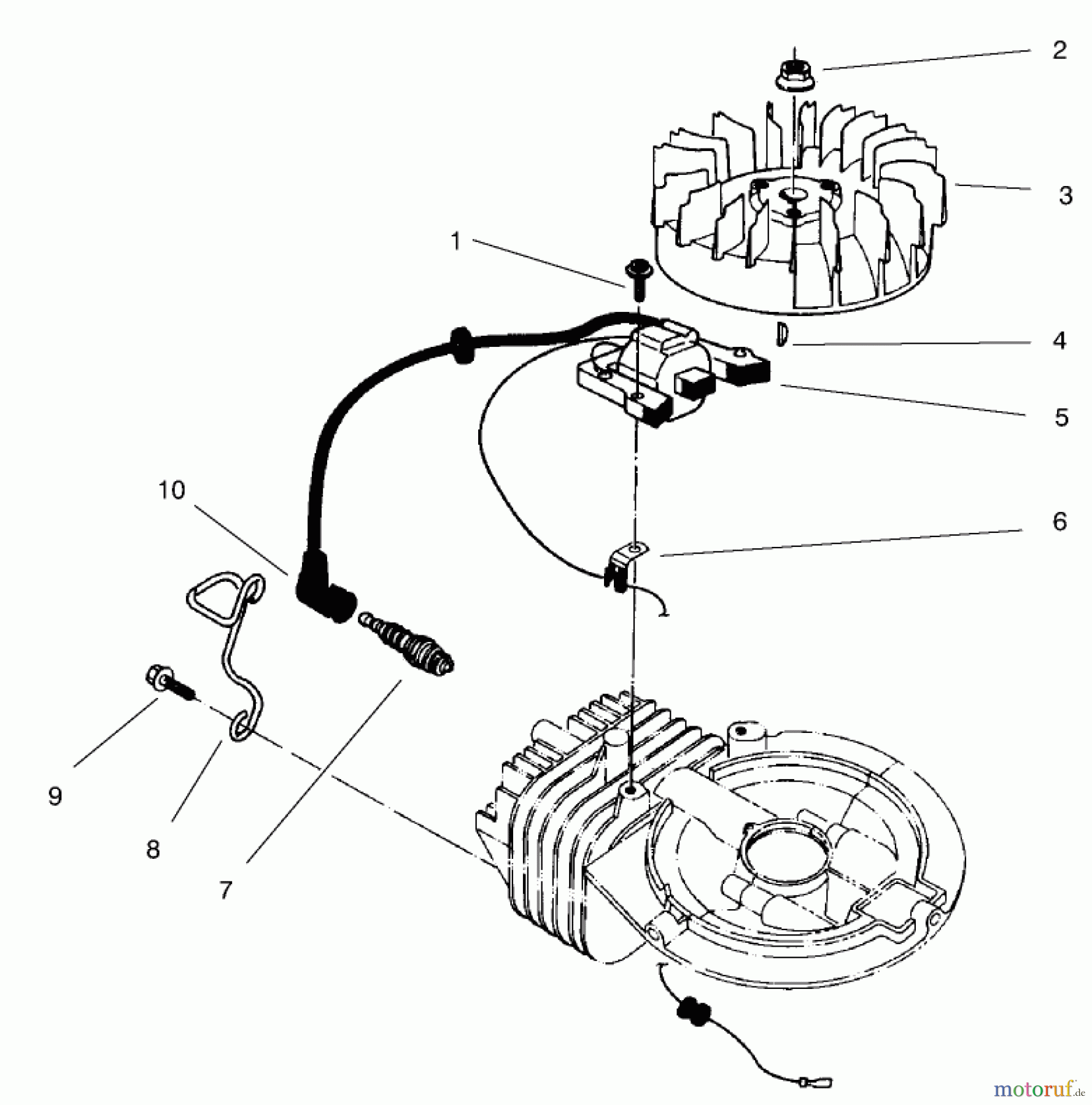
Toro 22026 - Side Discharge Mower, 1997 (7900001-7999999) IGNITION ASSEMBLY (MODEL NO. 47PT6-3) Ersatzteile
IGNITION ASSEMBLY (MODEL NO. 47PT6-3) 22026 - Toro Side Discharge Mower, 1997 (7900001-7999999)

Hier finden Sie die Ersatzteilzeichnung für Toro Neu Mowers, Walk-Behind Seite 2 22026 - Toro Side Discharge Mower, 1997 (7900001-7999999) IGNITION ASSEMBLY (MODEL NO. 47PT6-3). Wählen Sie das benötigte Ersatzteil aus der Ersatzteilliste Ihres Toro Gerätes aus und bestellen Sie einfach online. Viele Toro Ersatzteile halten wir ständig in unserem Lager für Sie bereit.


Qualitätsmanagement
Informieren Sie uns, wenn Sie einen Fehler gefunden haben.

