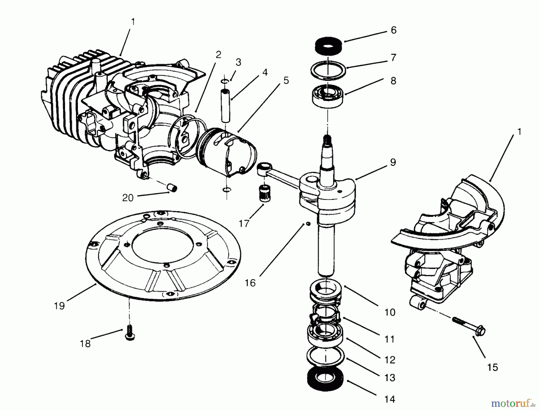
Toro 22026 - Side Discharge Mower, 1996 (6900001-6999999) CRANKSHAFT ASSEMBLY (MODEL NO. 47PS5-3) Ersatzteile
CRANKSHAFT ASSEMBLY (MODEL NO. 47PS5-3) 22026 - Toro Side Discharge Mower, 1996 (6900001-6999999)

Hier finden Sie die Ersatzteilzeichnung für Toro Neu Mowers, Walk-Behind Seite 2 22026 - Toro Side Discharge Mower, 1996 (6900001-6999999) CRANKSHAFT ASSEMBLY (MODEL NO. 47PS5-3). Wählen Sie das benötigte Ersatzteil aus der Ersatzteilliste Ihres Toro Gerätes aus und bestellen Sie einfach online. Viele Toro Ersatzteile halten wir ständig in unserem Lager für Sie bereit.



