Toro 22025 - Lawnmower, 1989 (9000001-9999999) ENGINE ASSEMBLY MODEL NO. 47PJ8 #4 Ersatzteile
ENGINE ASSEMBLY MODEL NO. 47PJ8 #4 22025 - Toro Lawnmower, 1989 (9000001-9999999)

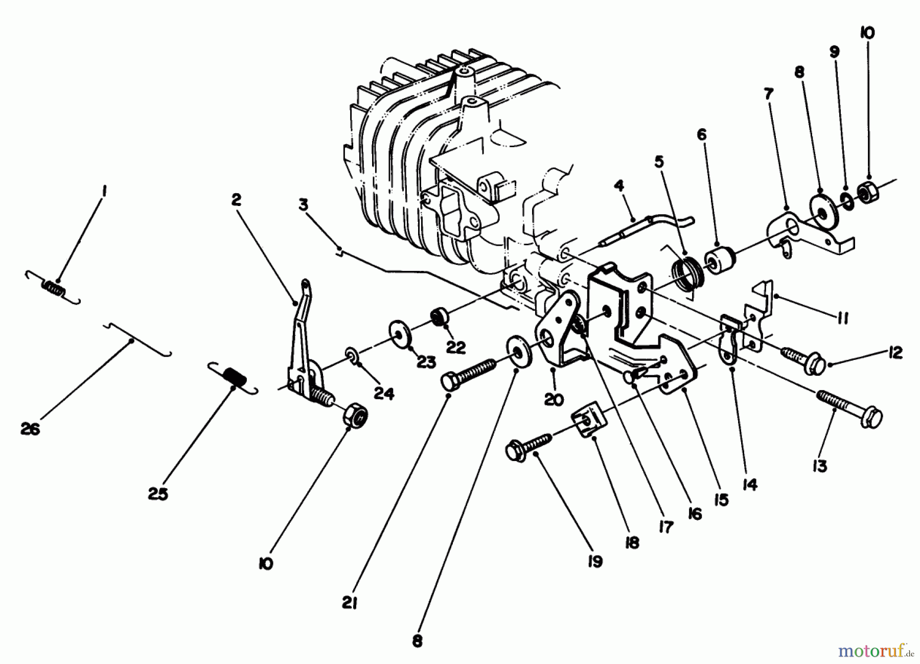
Hier finden Sie die Ersatzteilzeichnung für Toro Neu Mowers, Walk-Behind Seite 2 22025 - Toro Lawnmower, 1989 (9000001-9999999) ENGINE ASSEMBLY MODEL NO. 47PJ8 #4. Wählen Sie das benötigte Ersatzteil aus der Ersatzteilliste Ihres Toro Gerätes aus und bestellen Sie einfach online. Viele Toro Ersatzteile halten wir ständig in unserem Lager für Sie bereit.




