Toro 22020 - Lawnmower, 1984 (4000001-4999999) ENGINE BRIGGS & STRATTON MODEL 131922-0163-01 #3 Ersatzteile
ENGINE BRIGGS & STRATTON MODEL 131922-0163-01 #3 22020 - Toro Lawnmower, 1984 (4000001-4999999)

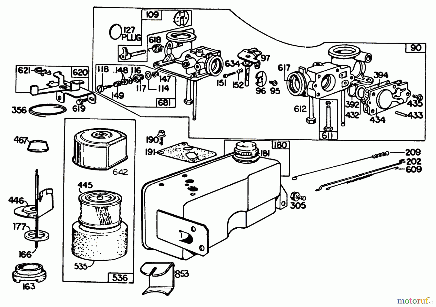
Hier finden Sie die Ersatzteilzeichnung für Toro Neu Mowers, Walk-Behind Seite 2 22020 - Toro Lawnmower, 1984 (4000001-4999999) ENGINE BRIGGS & STRATTON MODEL 131922-0163-01 #3. Wählen Sie das benötigte Ersatzteil aus der Ersatzteilliste Ihres Toro Gerätes aus und bestellen Sie einfach online. Viele Toro Ersatzteile halten wir ständig in unserem Lager für Sie bereit.







