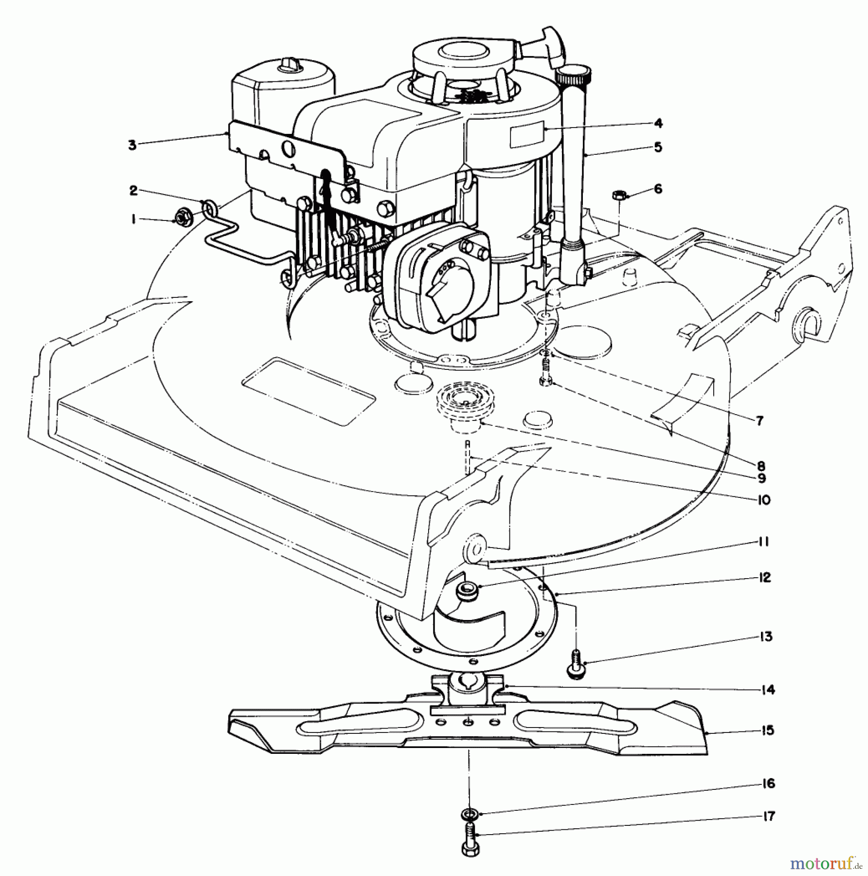
Toro 22015 - Lawnmower, 1983 (3000001-3999999) ENGINE ASSEMBLY (MODELS 22015 & 22020) Ersatzteile
ENGINE ASSEMBLY (MODELS 22015 & 22020) 22015 - Toro Lawnmower, 1983 (3000001-3999999)

Hier finden Sie die Ersatzteilzeichnung für Toro Neu Mowers, Walk-Behind Seite 2 22015 - Toro Lawnmower, 1983 (3000001-3999999) ENGINE ASSEMBLY (MODELS 22015 & 22020). Wählen Sie das benötigte Ersatzteil aus der Ersatzteilliste Ihres Toro Gerätes aus und bestellen Sie einfach online. Viele Toro Ersatzteile halten wir ständig in unserem Lager für Sie bereit.



