Toro 22005 - Lawnmower, 1985 (5000001-5999999) ENGINE BRIGGS & STRATTON MODEL NO. 130902 TYPE 1200-01 #1 Ersatzteile
ENGINE BRIGGS & STRATTON MODEL NO. 130902 TYPE 1200-01 #1 22005 - Toro Lawnmower, 1985 (5000001-5999999)

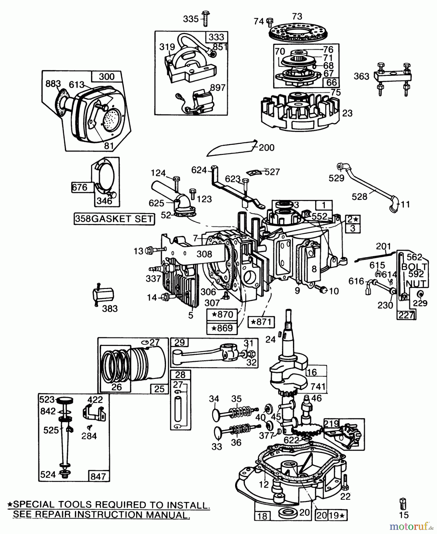
Hier finden Sie die Ersatzteilzeichnung für Toro Neu Mowers, Walk-Behind Seite 2 22005 - Toro Lawnmower, 1985 (5000001-5999999) ENGINE BRIGGS & STRATTON MODEL NO. 130902 TYPE 1200-01 #1. Wählen Sie das benötigte Ersatzteil aus der Ersatzteilliste Ihres Toro Gerätes aus und bestellen Sie einfach online. Viele Toro Ersatzteile halten wir ständig in unserem Lager für Sie bereit.







