Toro 21738 - Whirlwind Lawnmower, 1981 (1000001-1999999) ENGINE TECUMSEH MODEL NO. TNT 100-10056D Ersatzteile
ENGINE TECUMSEH MODEL NO. TNT 100-10056D 21738 - Toro Whirlwind Lawnmower, 1981 (1000001-1999999)

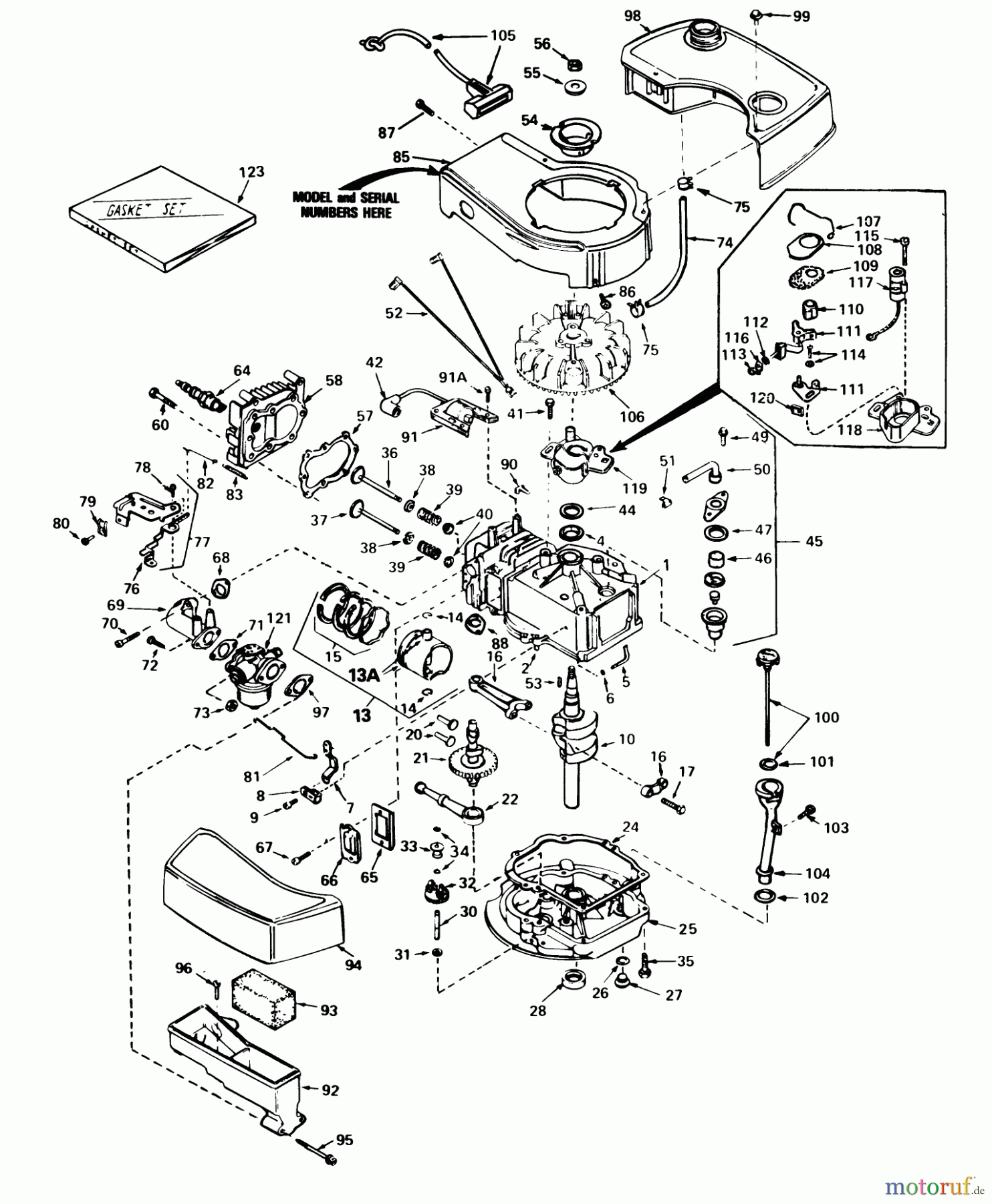
Hier finden Sie die Ersatzteilzeichnung für Toro Neu Mowers, Walk-Behind Seite 2 21738 - Toro Whirlwind Lawnmower, 1981 (1000001-1999999) ENGINE TECUMSEH MODEL NO. TNT 100-10056D. Wählen Sie das benötigte Ersatzteil aus der Ersatzteilliste Ihres Toro Gerätes aus und bestellen Sie einfach online. Viele Toro Ersatzteile halten wir ständig in unserem Lager für Sie bereit.


Qualitätsmanagement
Informieren Sie uns, wenn Sie einen Fehler gefunden haben.





