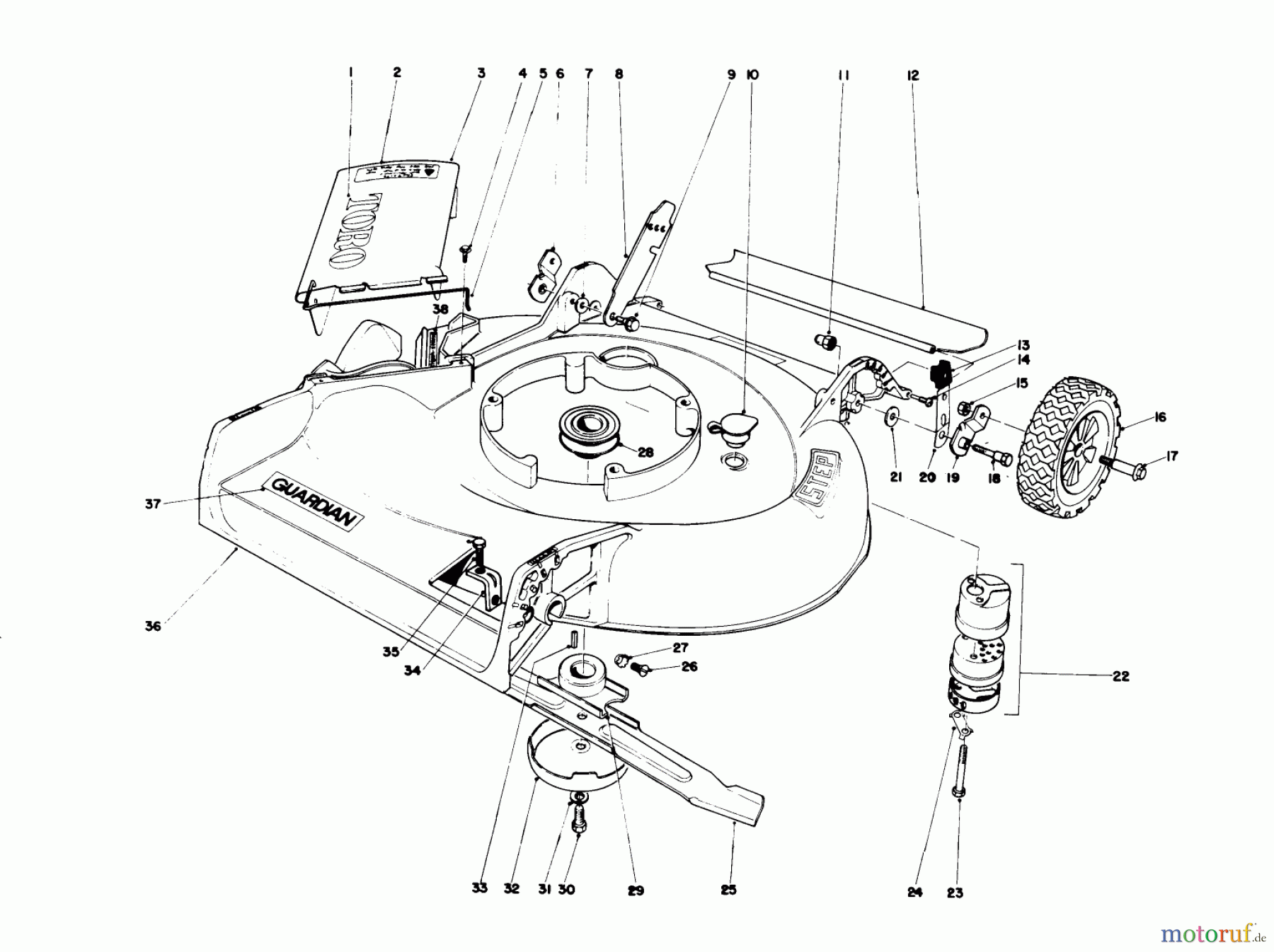
Toro 21727 - Guardian Lawnmower, 1977 (7000001-7999999) HOUSING ASSEMBLY Ersatzteile
HOUSING ASSEMBLY 21727 - Toro Guardian Lawnmower, 1977 (7000001-7999999)

Hier finden Sie die Ersatzteilzeichnung für Toro Neu Mowers, Walk-Behind Seite 2 21727 - Toro Guardian Lawnmower, 1977 (7000001-7999999) HOUSING ASSEMBLY. Wählen Sie das benötigte Ersatzteil aus der Ersatzteilliste Ihres Toro Gerätes aus und bestellen Sie einfach online. Viele Toro Ersatzteile halten wir ständig in unserem Lager für Sie bereit.





