Toro 21727 - Guardian Lawnmower, 1977 (7000001-7999999) ENGINE TECUMSEH MODEL NO. TNT 100-10055A (MOWER MODEL NO. 21647) Ersatzteile
ENGINE TECUMSEH MODEL NO. TNT 100-10055A (MOWER MODEL NO. 21647) 21727 - Toro Guardian Lawnmower, 1977 (7000001-7999999)

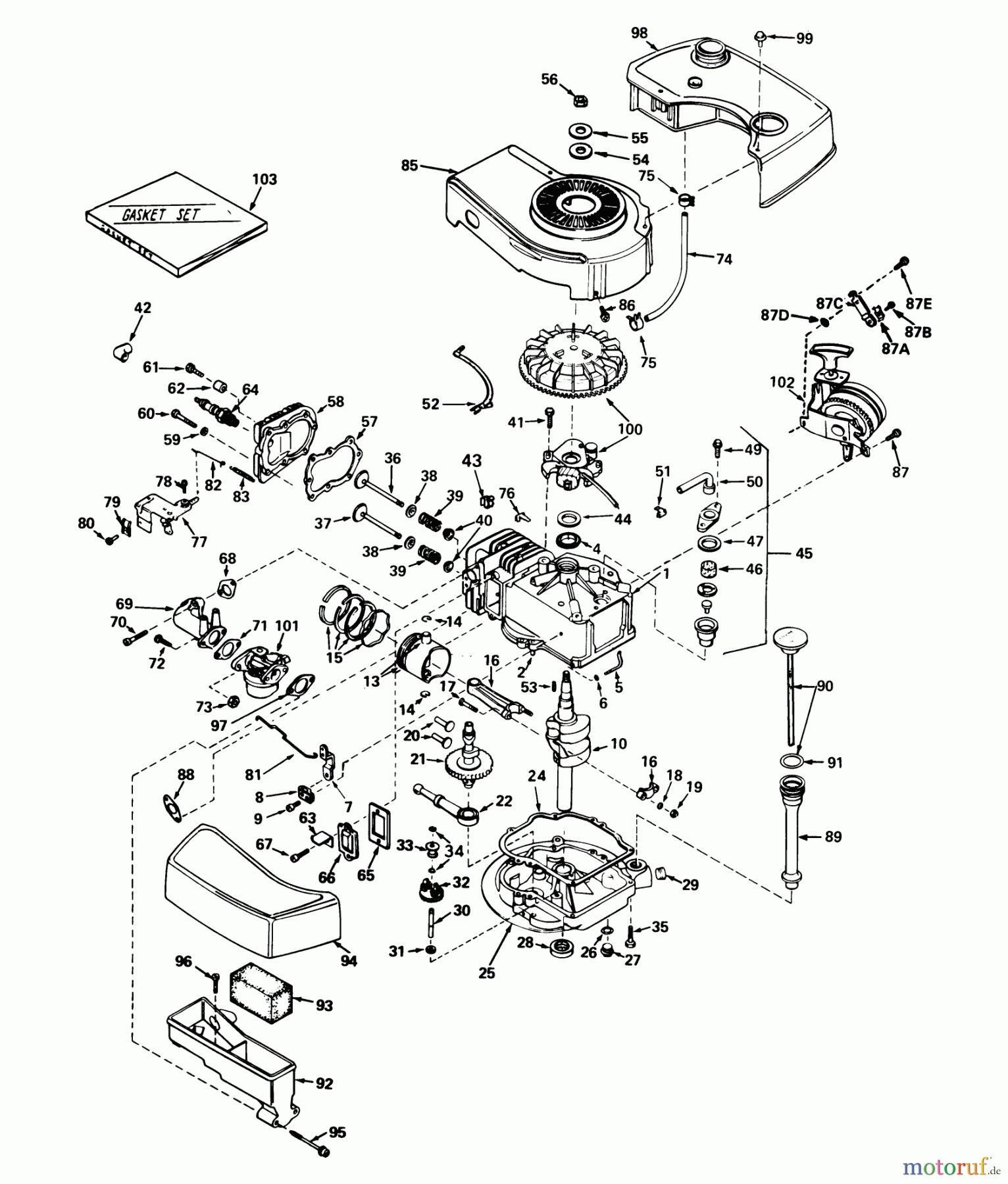
Hier finden Sie die Ersatzteilzeichnung für Toro Neu Mowers, Walk-Behind Seite 2 21727 - Toro Guardian Lawnmower, 1977 (7000001-7999999) ENGINE TECUMSEH MODEL NO. TNT 100-10055A (MOWER MODEL NO. 21647). Wählen Sie das benötigte Ersatzteil aus der Ersatzteilliste Ihres Toro Gerätes aus und bestellen Sie einfach online. Viele Toro Ersatzteile halten wir ständig in unserem Lager für Sie bereit.


Qualitätsmanagement
Informieren Sie uns, wenn Sie einen Fehler gefunden haben.



