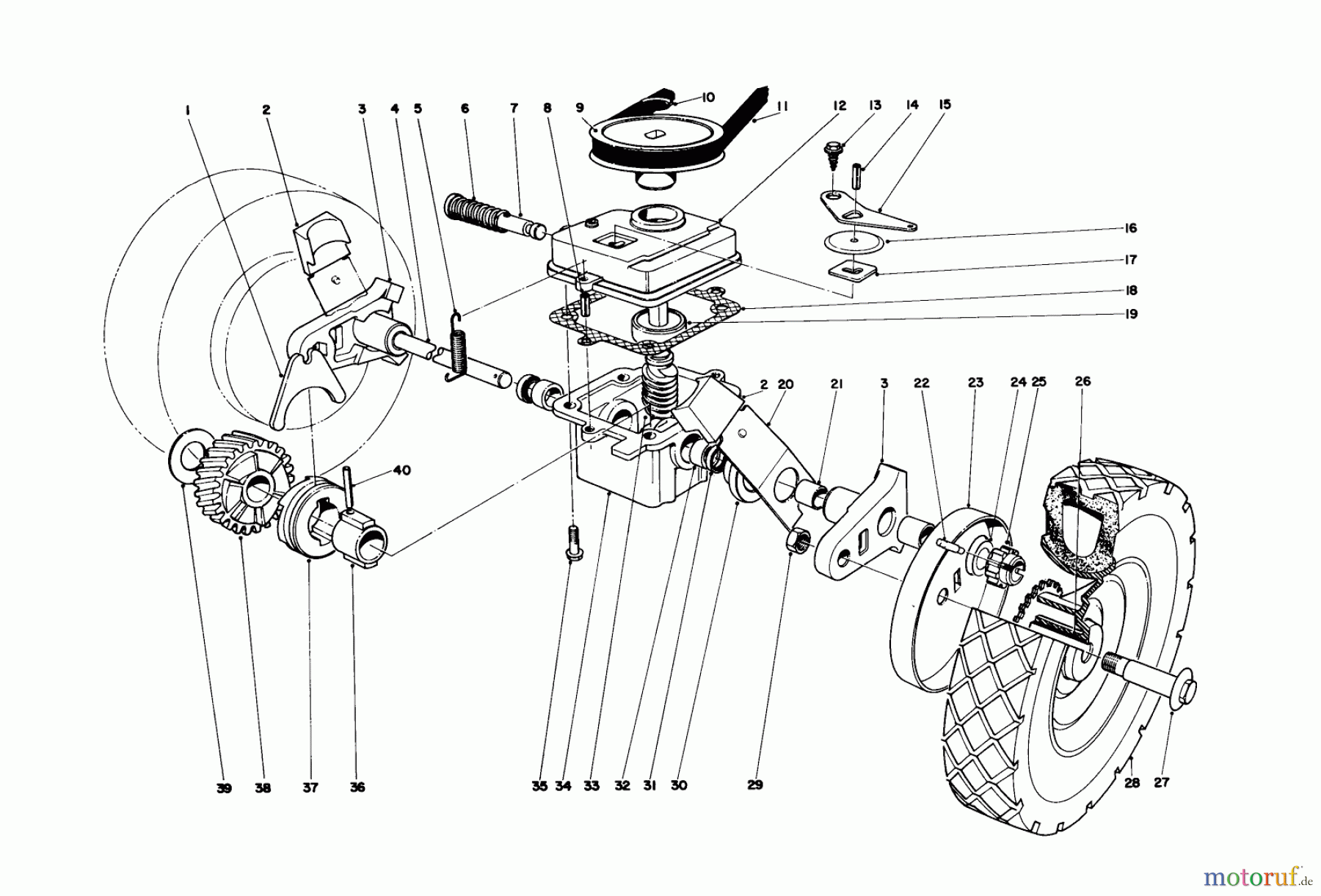
Toro 21711 - Guardian Lawnmower, 1974 (4000001-4999999) GEAR CASE ASSEMBLY MODEL NO. 21610 & 21711 Ersatzteile
GEAR CASE ASSEMBLY MODEL NO. 21610 & 21711 21711 - Toro Guardian Lawnmower, 1974 (4000001-4999999)

Hier finden Sie die Ersatzteilzeichnung für Toro Neu Mowers, Walk-Behind Seite 2 21711 - Toro Guardian Lawnmower, 1974 (4000001-4999999) GEAR CASE ASSEMBLY MODEL NO. 21610 & 21711. Wählen Sie das benötigte Ersatzteil aus der Ersatzteilliste Ihres Toro Gerätes aus und bestellen Sie einfach online. Viele Toro Ersatzteile halten wir ständig in unserem Lager für Sie bereit.




