Toro 21666 - Whirlwind Lawnmower, 1970 (0000001-0033908) ENGINE MODEL LAV35-40534H Ersatzteile
ENGINE MODEL LAV35-40534H 21666 - Toro Whirlwind Lawnmower, 1970 (0000001-0033908)

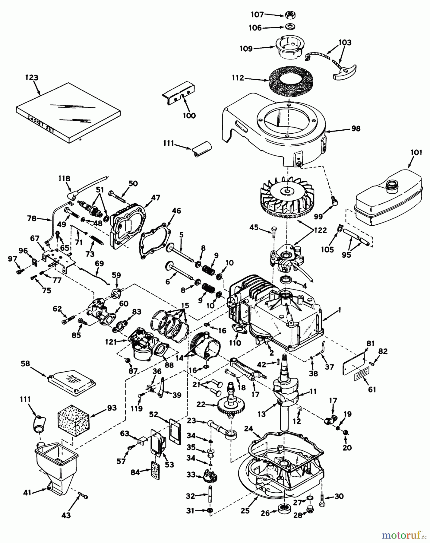
Hier finden Sie die Ersatzteilzeichnung für Toro Neu Mowers, Walk-Behind Seite 2 21666 - Toro Whirlwind Lawnmower, 1970 (0000001-0033908) ENGINE MODEL LAV35-40534H. Wählen Sie das benötigte Ersatzteil aus der Ersatzteilliste Ihres Toro Gerätes aus und bestellen Sie einfach online. Viele Toro Ersatzteile halten wir ständig in unserem Lager für Sie bereit.





