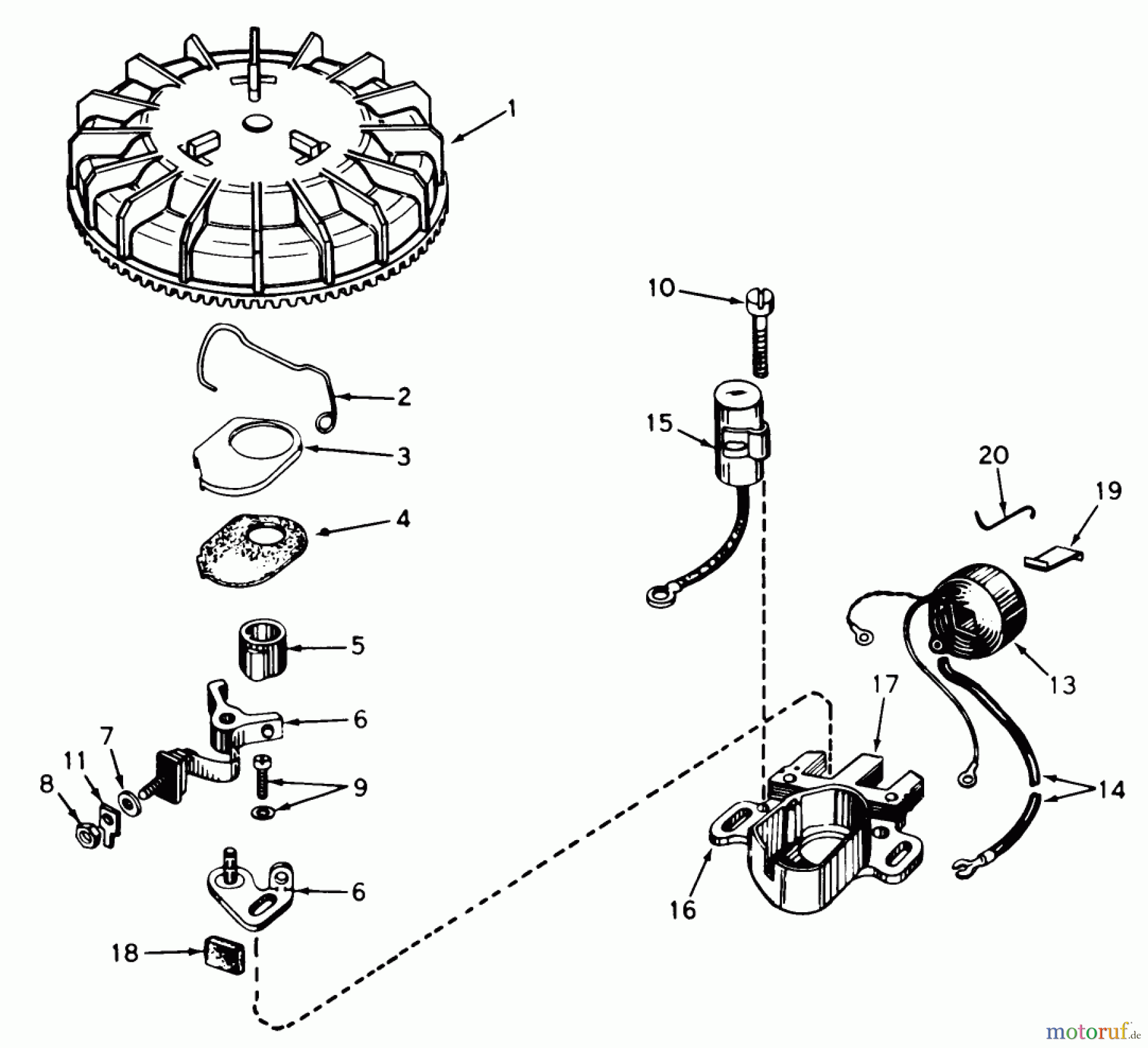
Toro 21647 - Guardian Lawnmower, 1977 (7000001-7999999) MAGNETO NO. 610793A (MOWER MODEL NO. 21647)(ENGINE NO. TNT 100-10055A) Ersatzteile
MAGNETO NO. 610793A (MOWER MODEL NO. 21647)(ENGINE NO. TNT 100-10055A) 21647 - Toro Guardian Lawnmower, 1977 (7000001-7999999)

Hier finden Sie die Ersatzteilzeichnung für Toro Neu Mowers, Walk-Behind Seite 2 21647 - Toro Guardian Lawnmower, 1977 (7000001-7999999) MAGNETO NO. 610793A (MOWER MODEL NO. 21647)(ENGINE NO. TNT 100-10055A). Wählen Sie das benötigte Ersatzteil aus der Ersatzteilliste Ihres Toro Gerätes aus und bestellen Sie einfach online. Viele Toro Ersatzteile halten wir ständig in unserem Lager für Sie bereit.



