Toro 20798 - Lawnmower, 1980 (0000001-0999999) CARBURETOR ASSEMBLY BRIGGS & STRATTON MODEL NO. 92908-2054-02 Ersatzteile
CARBURETOR ASSEMBLY BRIGGS & STRATTON MODEL NO. 92908-2054-02 20798 - Toro Lawnmower, 1980 (0000001-0999999)

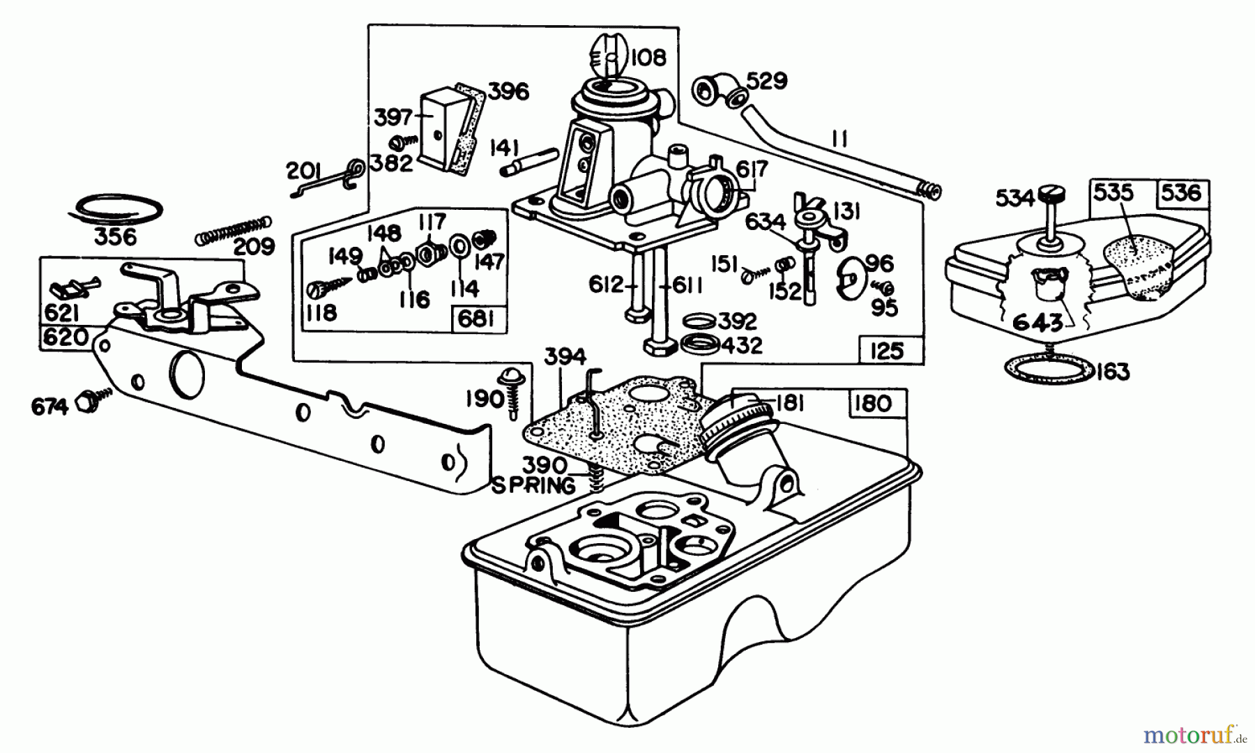
Hier finden Sie die Ersatzteilzeichnung für Toro Neu Mowers, Walk-Behind Seite 1 20798 - Toro Lawnmower, 1980 (0000001-0999999) CARBURETOR ASSEMBLY BRIGGS & STRATTON MODEL NO. 92908-2054-02. Wählen Sie das benötigte Ersatzteil aus der Ersatzteilliste Ihres Toro Gerätes aus und bestellen Sie einfach online. Viele Toro Ersatzteile halten wir ständig in unserem Lager für Sie bereit.
| BildNr | Artikel Nummer | Bezeichnung | |
| 11 | BS230802 | ENTLUEFTERROHR | |
| 95 | BS691437 | SCHRAUBE 90029 | |
| 96 | BS211237 | DROSSELKLAPPE | |
| 108 | BS298819 | VERWEIS ZU | |
| 114 | BS691608 | SCHEIBE | |
| 116 | BS691606 | O-RING | |
| 117 | BS690504 | MUTTER | |
| 118 | BS690266 | SCHRAUBE 23228 | |
| 125 | BS390065 | VERWEIS-NR. 395957 | |
| 131 | BS299977 | GESTAENGE | |
| 141 | BS68908 | STARTERKLAPPENWELLE | |
| 147 | BS692134 | VENTILSITZ | |
| 148 | BS690257 | UNTERLEGSCHEIBE | |
| 149 | BS691592 | FEDER | |
| 151 | BS93524 | SCHRAUBE 93392 | |
| 152 | BS260575 | VERWEIS ZU | |
| 163 | BS270816 | ||
| 180 | BS391694 | VERWEIS ZU | |
| 181 | BS493982 | VERWEIS ZU | |
| 190 | BS94712 | ||
| 201 | BS261027 | REGLERGESTAENGE | |
| 209 | BS261105 | REGLERFEDER | |
| 356 | BS398808 | MASSEKABEL | |
| 382 | BS93545 | SCHRAUBE | |
| 390 | BS261015 | ||
| 392 | BS692206 | Feder f. Benzinpumpe | |
| 394 | ![]() | BS391681 | MEMBRANE 299636 |
| 396 | BS270571 | DICHTUNG | |
| 397 | BS211678 | PLATTE | |
| 432 | BS690766 | FEDERTELLER | |
| 529 | ![]() | BS692189 | KNIESTUECK |
| 534 | BS93374 | SCHRAUBE | |
| 535 | BS270579S | FILTEREINSATZ | |
| 536 | BS390055 | LUFTFILTER 298566 | |
| 611 | BS297219S | BENZINLEITUNG | |
| 612 | BS497413 | VERWEIS ZU | |
| 617 | BS270344S | O-RING | |
| 620 | BS299974 | PLATTE | |
| 621 | BS297472S | AUSSCHALTER | |
| 634 | BS270167 | FILZSCHEIBE | |
| 643 | BS221321 | ||
| 681 | BS299060 | NADELVENTILSATZ | |


Qualitätsmanagement
Informieren Sie uns, wenn Sie einen Fehler gefunden haben.



