Toro 20798 - Lawnmower, 1979 (9000001-9999999) ENGINE BRIGGS & STRATTON MODEL NO. 92908-1934-02 Ersatzteile
ENGINE BRIGGS & STRATTON MODEL NO. 92908-1934-02 20798 - Toro Lawnmower, 1979 (9000001-9999999)

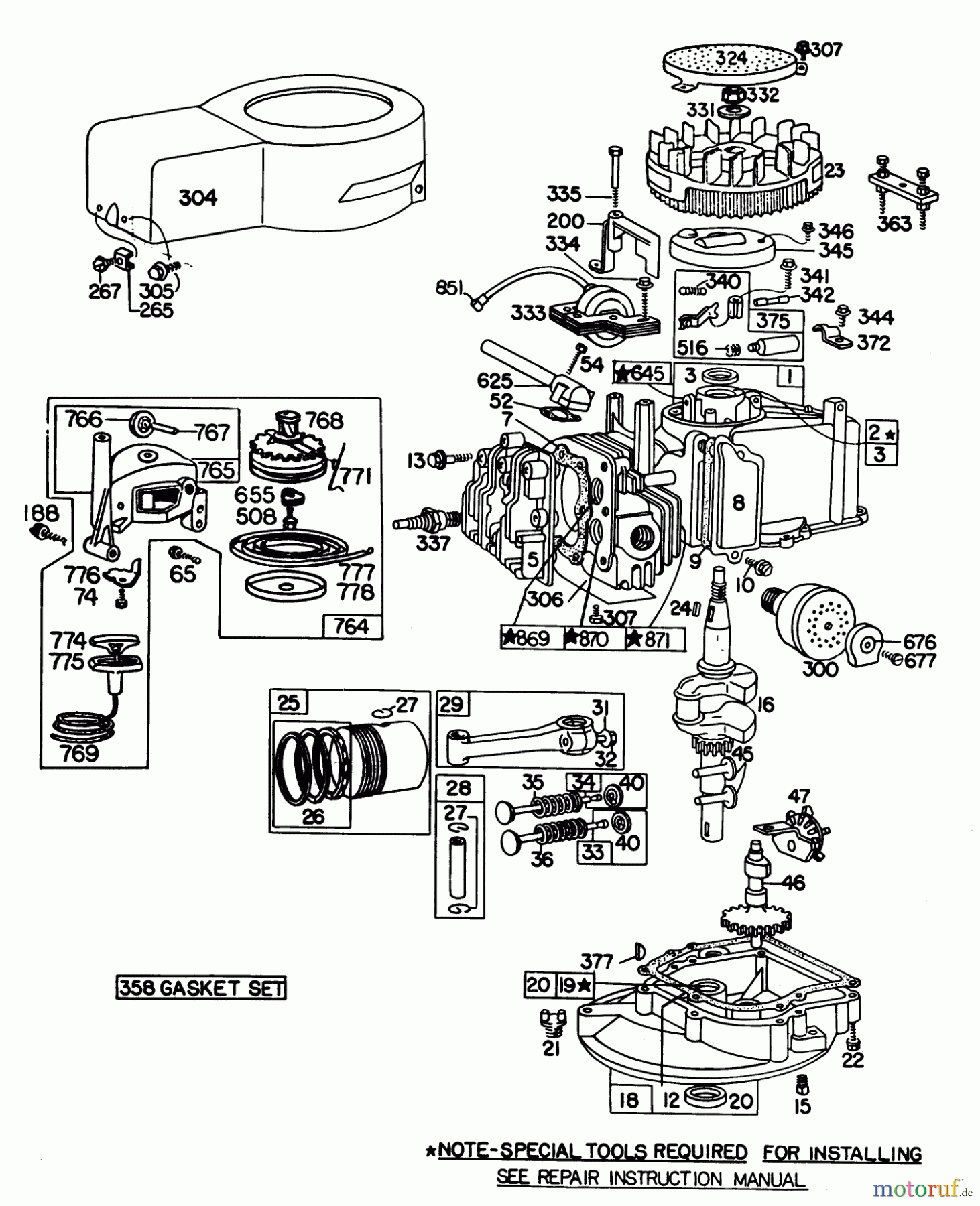
Hier finden Sie die Ersatzteilzeichnung für Toro Neu Mowers, Walk-Behind Seite 1 20798 - Toro Lawnmower, 1979 (9000001-9999999) ENGINE BRIGGS & STRATTON MODEL NO. 92908-1934-02. Wählen Sie das benötigte Ersatzteil aus der Ersatzteilliste Ihres Toro Gerätes aus und bestellen Sie einfach online. Viele Toro Ersatzteile halten wir ständig in unserem Lager für Sie bereit.








