Toro 20782C - Lawnmower, 1985 (5000001-5999999) ENGINE TECUMSEH MODEL NO. TVS 90-43327D Ersatzteile
ENGINE TECUMSEH MODEL NO. TVS 90-43327D 20782C - Toro Lawnmower, 1985 (5000001-5999999)

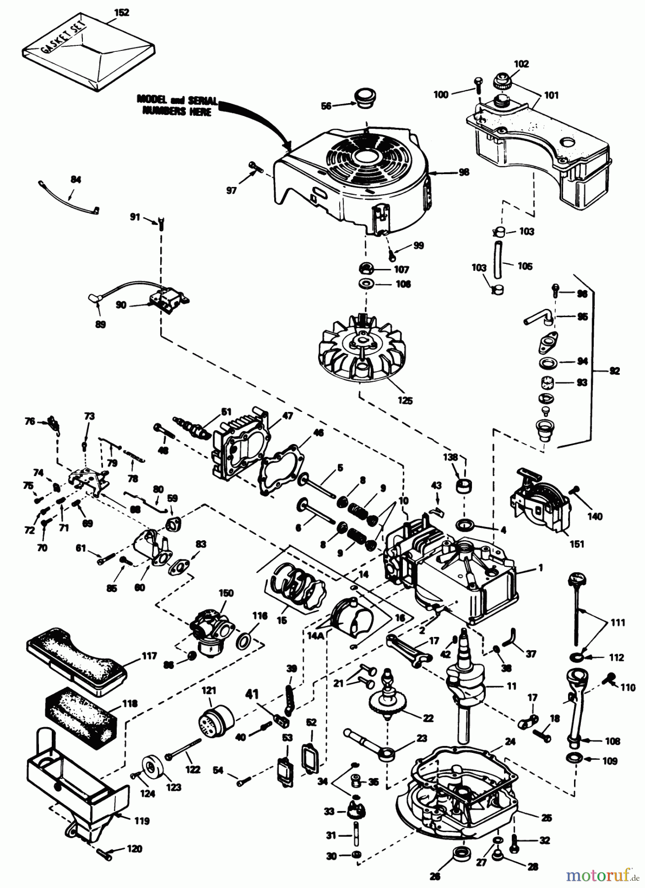
Hier finden Sie die Ersatzteilzeichnung für Toro Neu Mowers, Walk-Behind Seite 1 20782C - Toro Lawnmower, 1985 (5000001-5999999) ENGINE TECUMSEH MODEL NO. TVS 90-43327D. Wählen Sie das benötigte Ersatzteil aus der Ersatzteilliste Ihres Toro Gerätes aus und bestellen Sie einfach online. Viele Toro Ersatzteile halten wir ständig in unserem Lager für Sie bereit.







