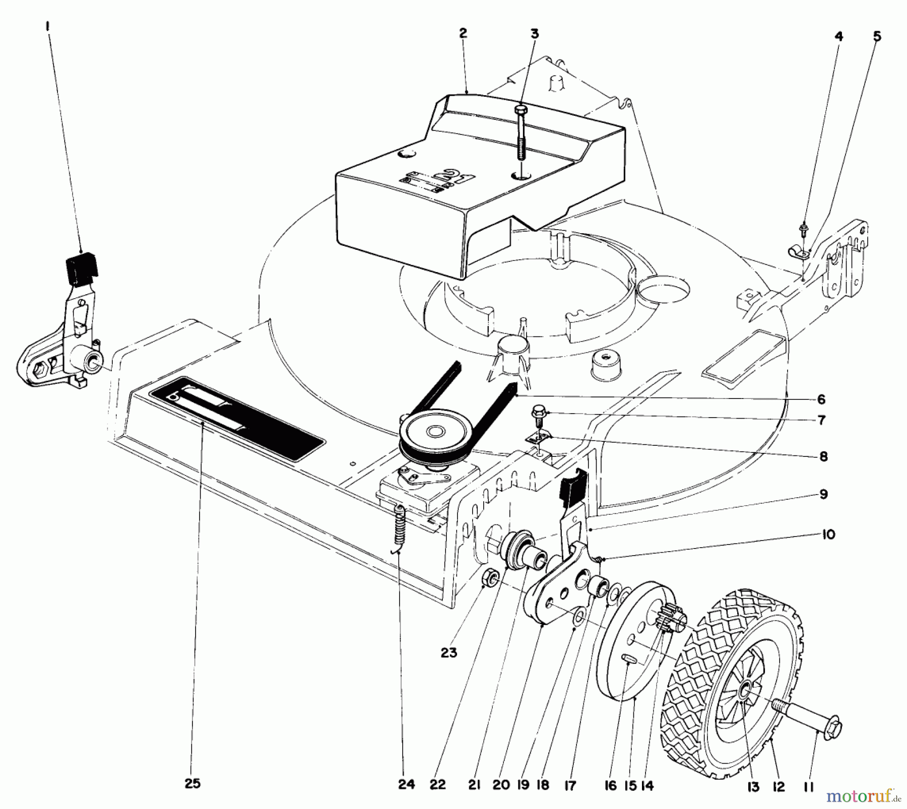
Toro 20771 - Lawnmower, 1983 (3000001-3999999) FRONT WHEEL & PIVOT ARM ASSEMBLY Ersatzteile
FRONT WHEEL & PIVOT ARM ASSEMBLY 20771 - Toro Lawnmower, 1983 (3000001-3999999)

Hier finden Sie die Ersatzteilzeichnung für Toro Neu Mowers, Walk-Behind Seite 1 20771 - Toro Lawnmower, 1983 (3000001-3999999) FRONT WHEEL & PIVOT ARM ASSEMBLY. Wählen Sie das benötigte Ersatzteil aus der Ersatzteilliste Ihres Toro Gerätes aus und bestellen Sie einfach online. Viele Toro Ersatzteile halten wir ständig in unserem Lager für Sie bereit.






