Toro 20765 - Lawnmower, 1981 (1000001-1999999) ENGINE BRIGGS & STRATTON MODEL 92908-1956-01 ENGINE BRIGGS & STRATTON MODEL 93508-0192-01 Ersatzteile
ENGINE BRIGGS & STRATTON MODEL 92908-1956-01 ENGINE BRIGGS & STRATTON MODEL 93508-0192-01 20765 - Toro Lawnmower, 1981 (1000001-1999999)

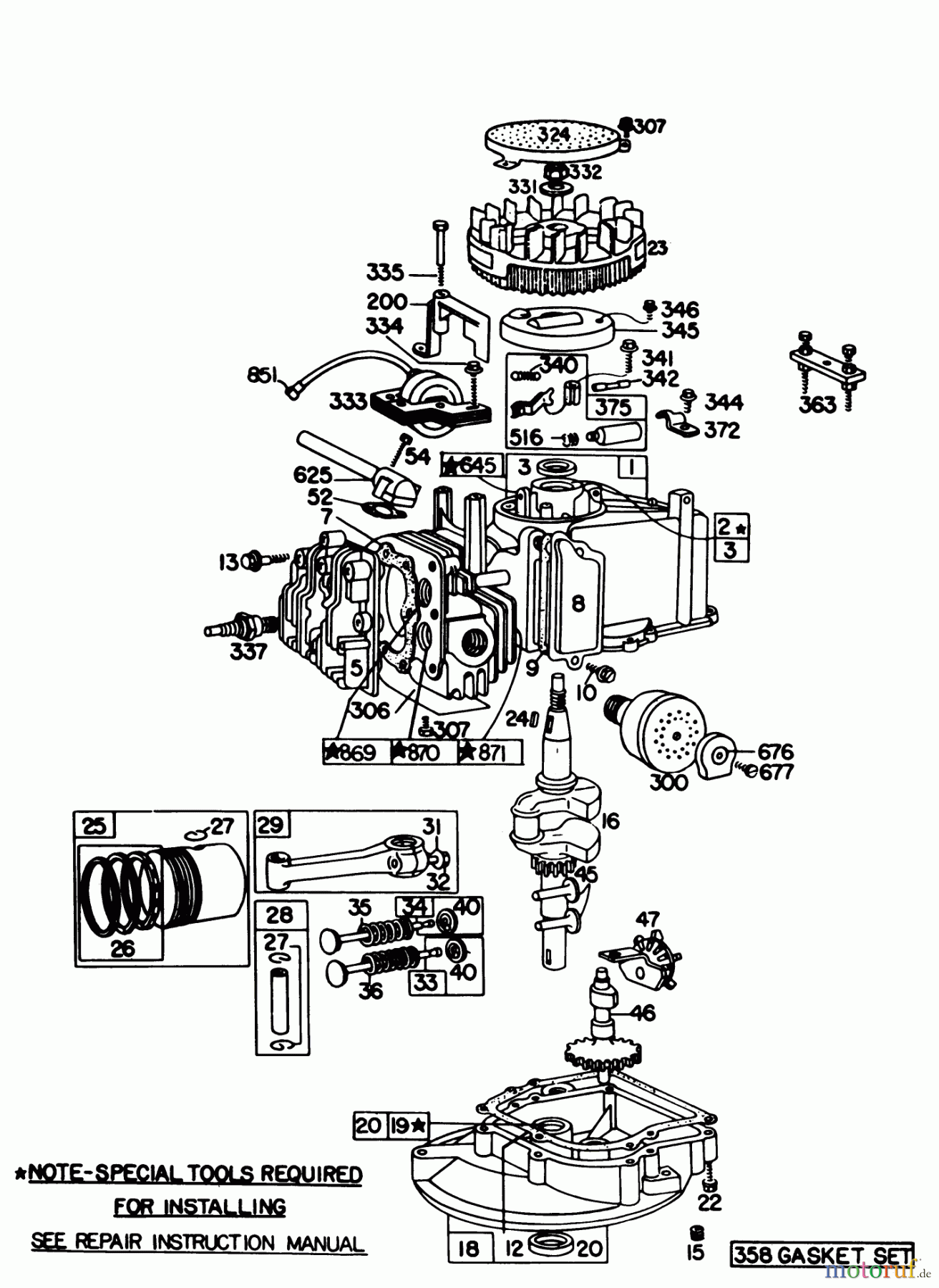
Hier finden Sie die Ersatzteilzeichnung für Toro Neu Mowers, Walk-Behind Seite 1 20765 - Toro Lawnmower, 1981 (1000001-1999999) ENGINE BRIGGS & STRATTON MODEL 92908-1956-01 ENGINE BRIGGS & STRATTON MODEL 93508-0192-01. Wählen Sie das benötigte Ersatzteil aus der Ersatzteilliste Ihres Toro Gerätes aus und bestellen Sie einfach online. Viele Toro Ersatzteile halten wir ständig in unserem Lager für Sie bereit.


Qualitätsmanagement
Informieren Sie uns, wenn Sie einen Fehler gefunden haben.





