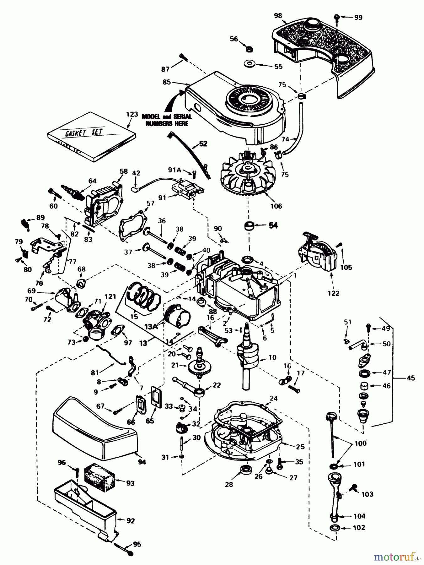
Toro 20762 - Lawnmower, 1983 (3000001-3999999) ENGINE TECUMSEH MODEL NO. TNT 100-10077E Ersatzteile
ENGINE TECUMSEH MODEL NO. TNT 100-10077E 20762 - Toro Lawnmower, 1983 (3000001-3999999)

Hier finden Sie die Ersatzteilzeichnung für Toro Neu Mowers, Walk-Behind Seite 1 20762 - Toro Lawnmower, 1983 (3000001-3999999) ENGINE TECUMSEH MODEL NO. TNT 100-10077E. Wählen Sie das benötigte Ersatzteil aus der Ersatzteilliste Ihres Toro Gerätes aus und bestellen Sie einfach online. Viele Toro Ersatzteile halten wir ständig in unserem Lager für Sie bereit.







