Toro 20746C - Lawnmower, 1988 (8000001-8999999) SIDE DISCHARGE KIT NO. 59107 (OPTIONAL) Ersatzteile
SIDE DISCHARGE KIT NO. 59107 (OPTIONAL) 20746C - Toro Lawnmower, 1988 (8000001-8999999)

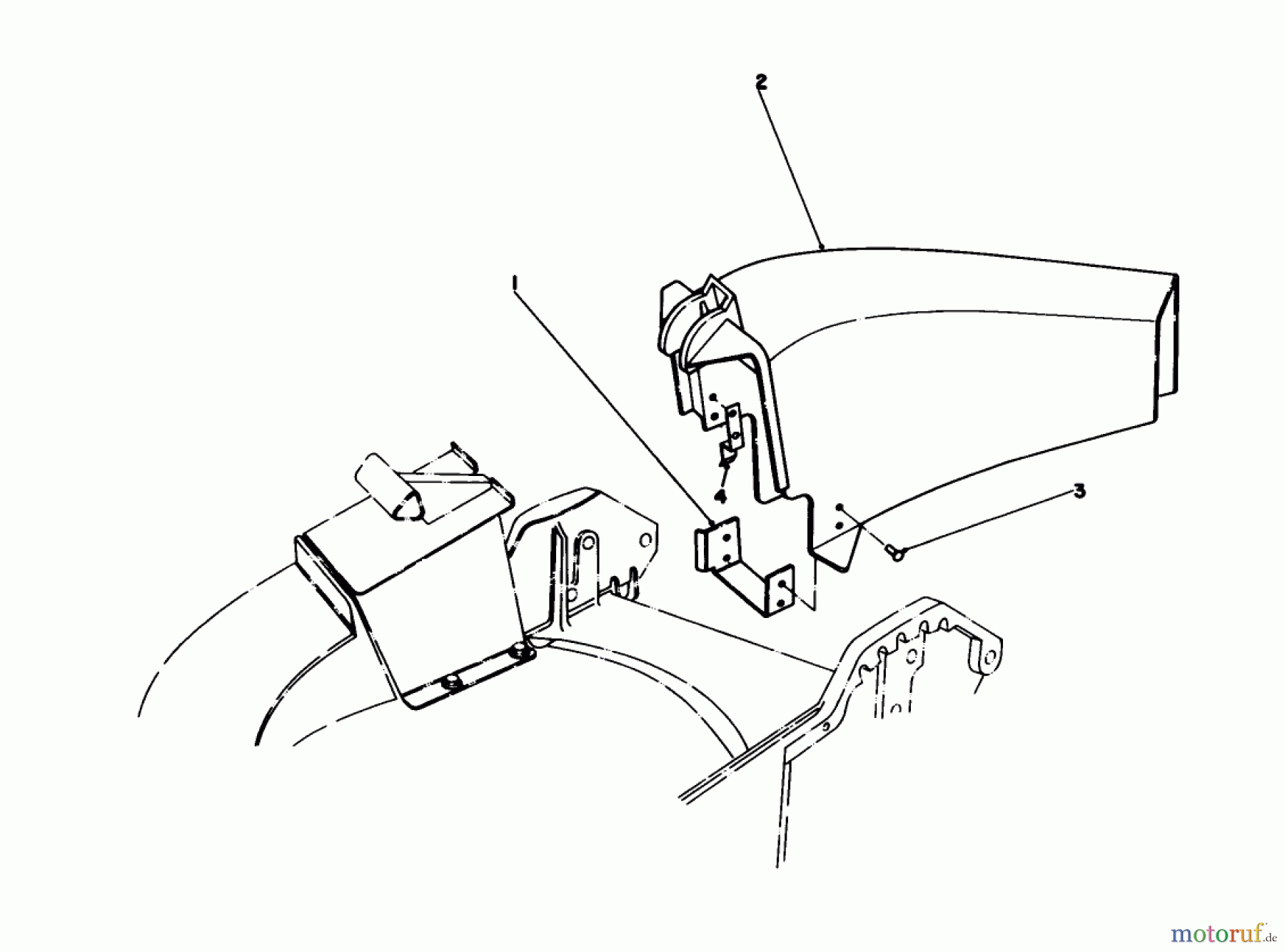
Hier finden Sie die Ersatzteilzeichnung für Toro Neu Mowers, Walk-Behind Seite 1 20746C - Toro Lawnmower, 1988 (8000001-8999999) SIDE DISCHARGE KIT NO. 59107 (OPTIONAL). Wählen Sie das benötigte Ersatzteil aus der Ersatzteilliste Ihres Toro Gerätes aus und bestellen Sie einfach online. Viele Toro Ersatzteile halten wir ständig in unserem Lager für Sie bereit.
| BildNr | Artikel Nummer | Bezeichnung | |
| 1 | TR44-2620 | CHUTE BRACKET | |
| 2 | TR44-7740 | CHUTE ASM 18 | |
| 3 | TR3295-29 | Niete | |
| 4 | TR46-6400 | DISCONTINUED | |


Qualitätsmanagement
Informieren Sie uns, wenn Sie einen Fehler gefunden haben.

