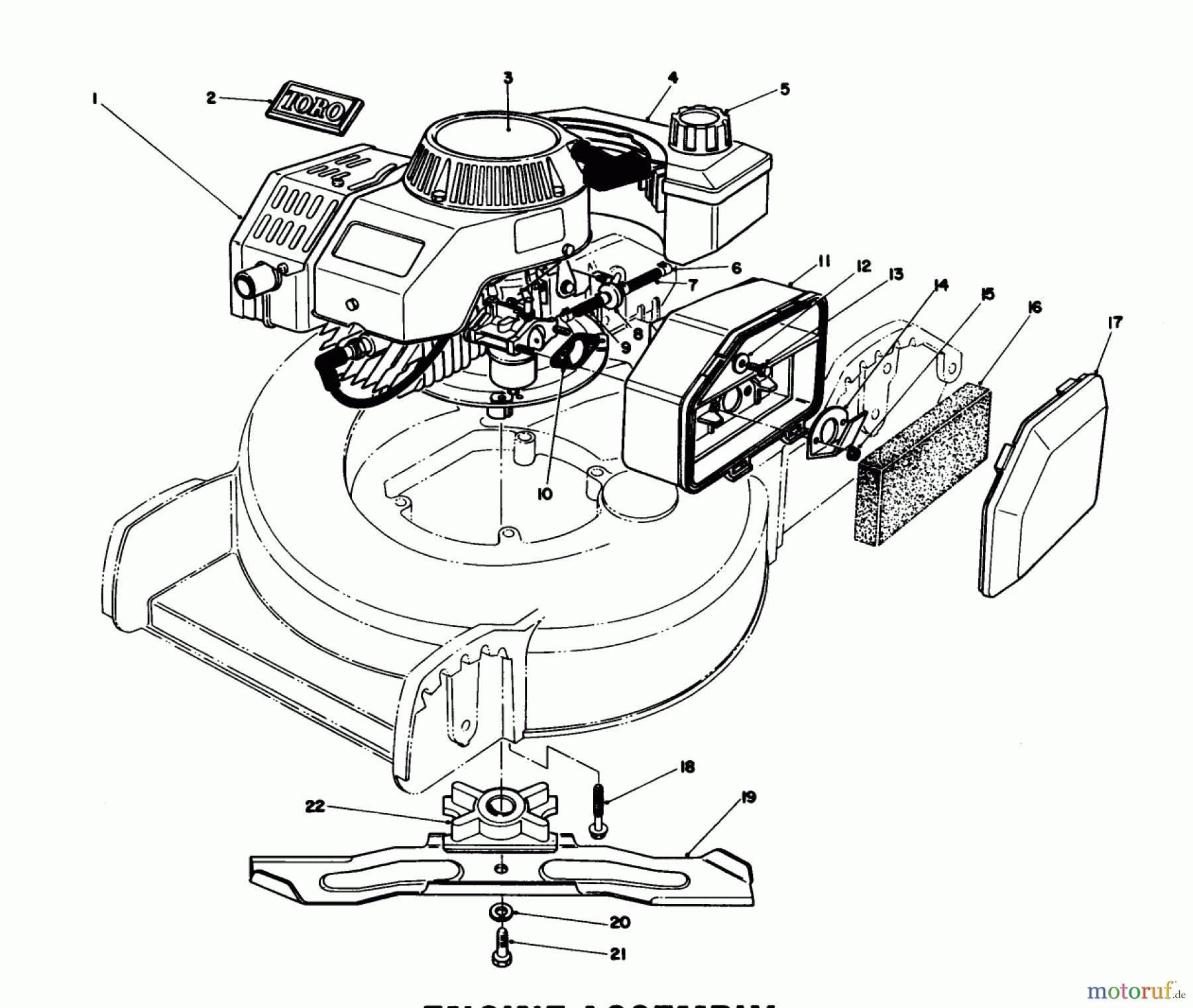
Toro 20745C - Lawnmower, 1988 (8000001-8999999) ENGINE ASSEMBLY (USED ON UNITS WITH SERIAL NO. 8000001 THRU 8000401) Ersatzteile
ENGINE ASSEMBLY (USED ON UNITS WITH SERIAL NO. 8000001 THRU 8000401) 20745C - Toro Lawnmower, 1988 (8000001-8999999)

Hier finden Sie die Ersatzteilzeichnung für Toro Neu Mowers, Walk-Behind Seite 1 20745C - Toro Lawnmower, 1988 (8000001-8999999) ENGINE ASSEMBLY (USED ON UNITS WITH SERIAL NO. 8000001 THRU 8000401). Wählen Sie das benötigte Ersatzteil aus der Ersatzteilliste Ihres Toro Gerätes aus und bestellen Sie einfach online. Viele Toro Ersatzteile halten wir ständig in unserem Lager für Sie bereit.







