Toro 20735 - Lawnmower, 1979 (9000001-9999999) ENGINE BRIGGS & STRATTON MODEL NO. 110908-0380-03 Ersatzteile
ENGINE BRIGGS & STRATTON MODEL NO. 110908-0380-03 20735 - Toro Lawnmower, 1979 (9000001-9999999)

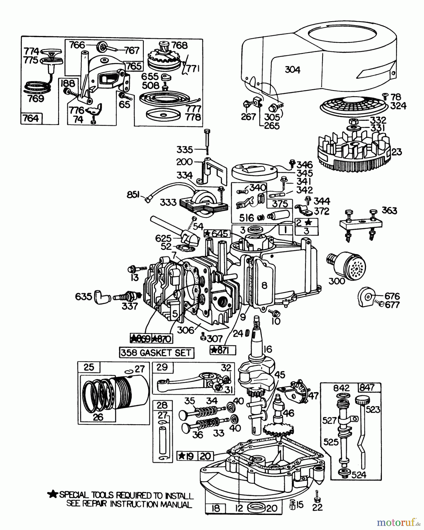
Hier finden Sie die Ersatzteilzeichnung für Toro Neu Mowers, Walk-Behind Seite 1 20735 - Toro Lawnmower, 1979 (9000001-9999999) ENGINE BRIGGS & STRATTON MODEL NO. 110908-0380-03. Wählen Sie das benötigte Ersatzteil aus der Ersatzteilliste Ihres Toro Gerätes aus und bestellen Sie einfach online. Viele Toro Ersatzteile halten wir ständig in unserem Lager für Sie bereit.








