Toro 20720 - Lawnmower, 1981 (1000001-1999999) ENGINE TECUMSEH MODEL NO. TNT 100-10065D Ersatzteile
ENGINE TECUMSEH MODEL NO. TNT 100-10065D 20720 - Toro Lawnmower, 1981 (1000001-1999999)

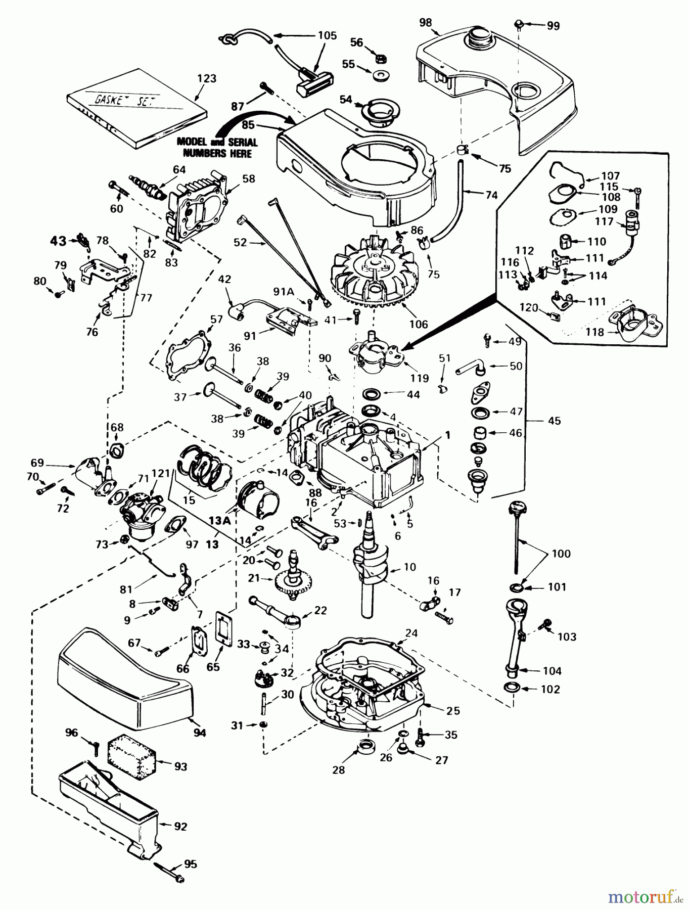
Hier finden Sie die Ersatzteilzeichnung für Toro Neu Mowers, Walk-Behind Seite 1 20720 - Toro Lawnmower, 1981 (1000001-1999999) ENGINE TECUMSEH MODEL NO. TNT 100-10065D. Wählen Sie das benötigte Ersatzteil aus der Ersatzteilliste Ihres Toro Gerätes aus und bestellen Sie einfach online. Viele Toro Ersatzteile halten wir ständig in unserem Lager für Sie bereit.







