Toro 20700 - Lawnmower, 1979 (9000001-9999999) REWIND STARTER NO. 590531 Ersatzteile
REWIND STARTER NO. 590531 20700 - Toro Lawnmower, 1979 (9000001-9999999)

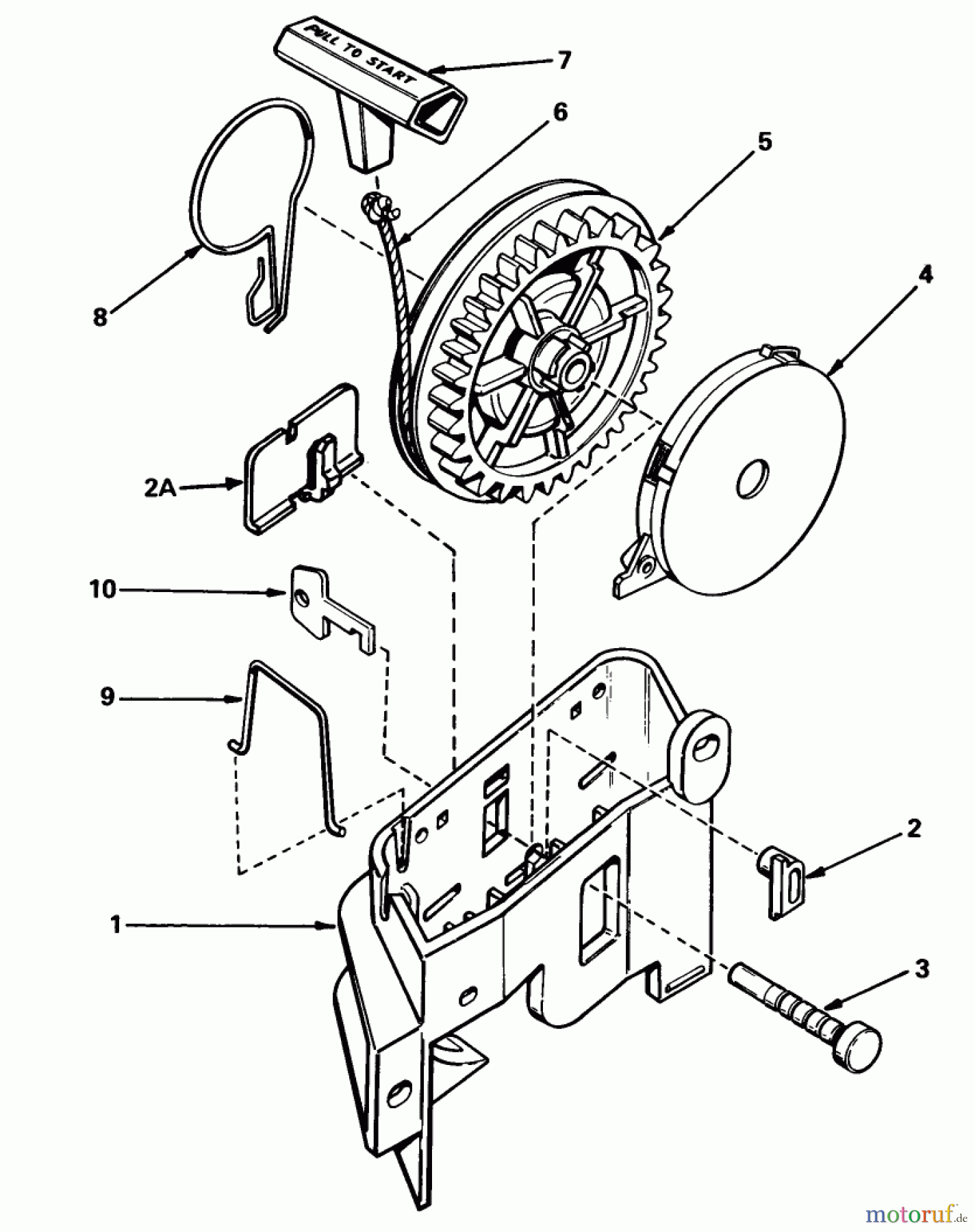
Hier finden Sie die Ersatzteilzeichnung für Toro Neu Mowers, Walk-Behind Seite 1 20700 - Toro Lawnmower, 1979 (9000001-9999999) REWIND STARTER NO. 590531. Wählen Sie das benötigte Ersatzteil aus der Ersatzteilliste Ihres Toro Gerätes aus und bestellen Sie einfach online. Viele Toro Ersatzteile halten wir ständig in unserem Lager für Sie bereit.
| BildNr | Artikel Nummer | Bezeichnung | |
| 1 | BS590523 | KOLBENRINGSATZ | |
| 2 | BS590524 | CAMSHAFT | |
| 2A | BS590538 | CRANKSHAFT | |
| 3 | BS590525 | ZYLINDERKOPF | |
| 4 | BS590526 | KIPPHEBEL | |
| 5 | BS590522 | MOTORENTLUFTUNG | |
| 6 | BS590527 | KIPPHEBEL | |
| 7 | BS590452 | HAUPTDUSE | |
| 8 | BS590528 | HALTER-VENTIL | |
| 9 | BS590529 | PLATTE ZYLINDERKOPF | |
| 10 | BS590530 | EINLASSVENTIL | |


Qualitätsmanagement
Informieren Sie uns, wenn Sie einen Fehler gefunden haben.

