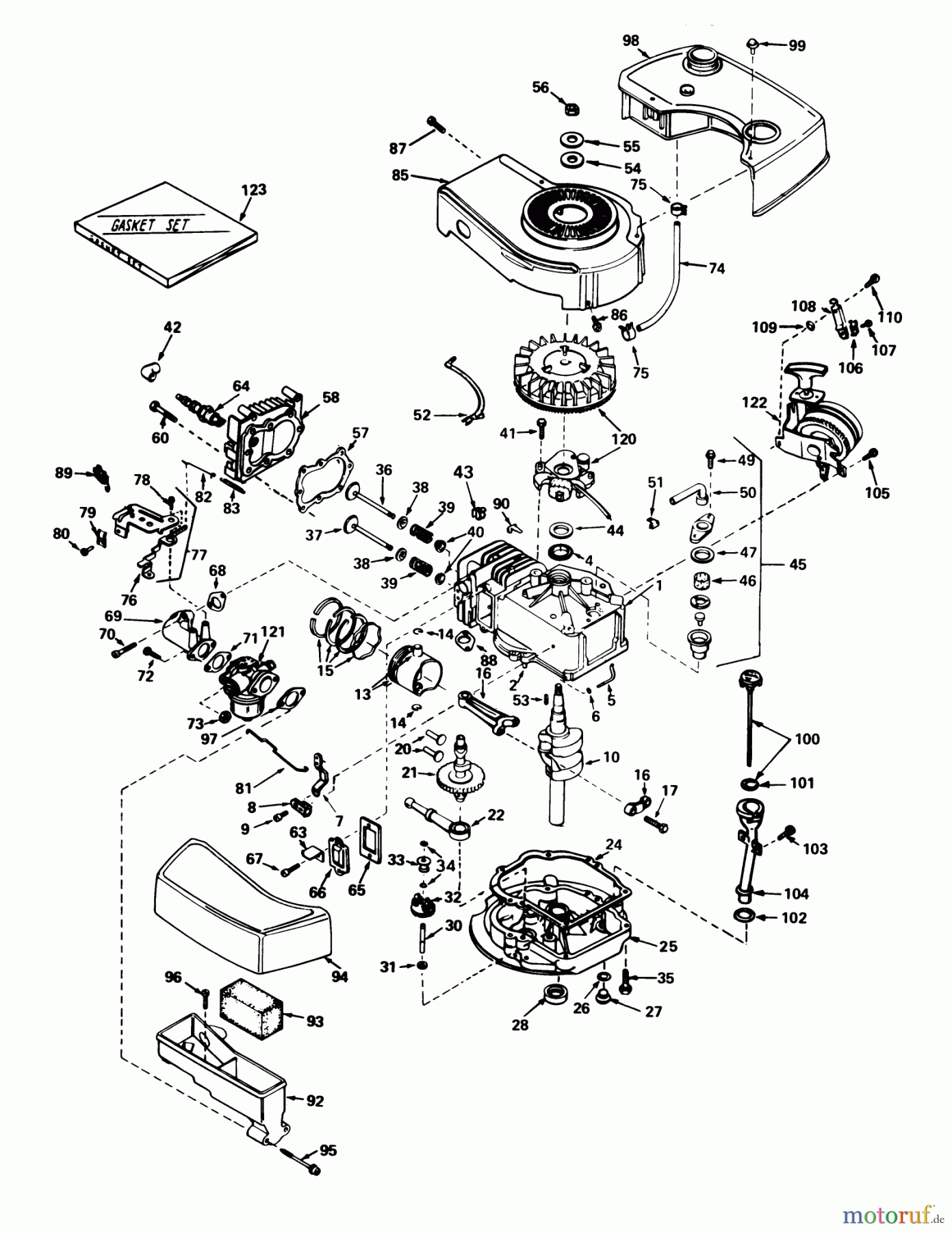
Toro 20700 - Lawnmower, 1978 (8000001-8999999) ENGINE TECUMSEH MODEL TNT 100-10049B Ersatzteile
ENGINE TECUMSEH MODEL TNT 100-10049B 20700 - Toro Lawnmower, 1978 (8000001-8999999)

Hier finden Sie die Ersatzteilzeichnung für Toro Neu Mowers, Walk-Behind Seite 1 20700 - Toro Lawnmower, 1978 (8000001-8999999) ENGINE TECUMSEH MODEL TNT 100-10049B. Wählen Sie das benötigte Ersatzteil aus der Ersatzteilliste Ihres Toro Gerätes aus und bestellen Sie einfach online. Viele Toro Ersatzteile halten wir ständig in unserem Lager für Sie bereit.


Qualitätsmanagement
Informieren Sie uns, wenn Sie einen Fehler gefunden haben.




