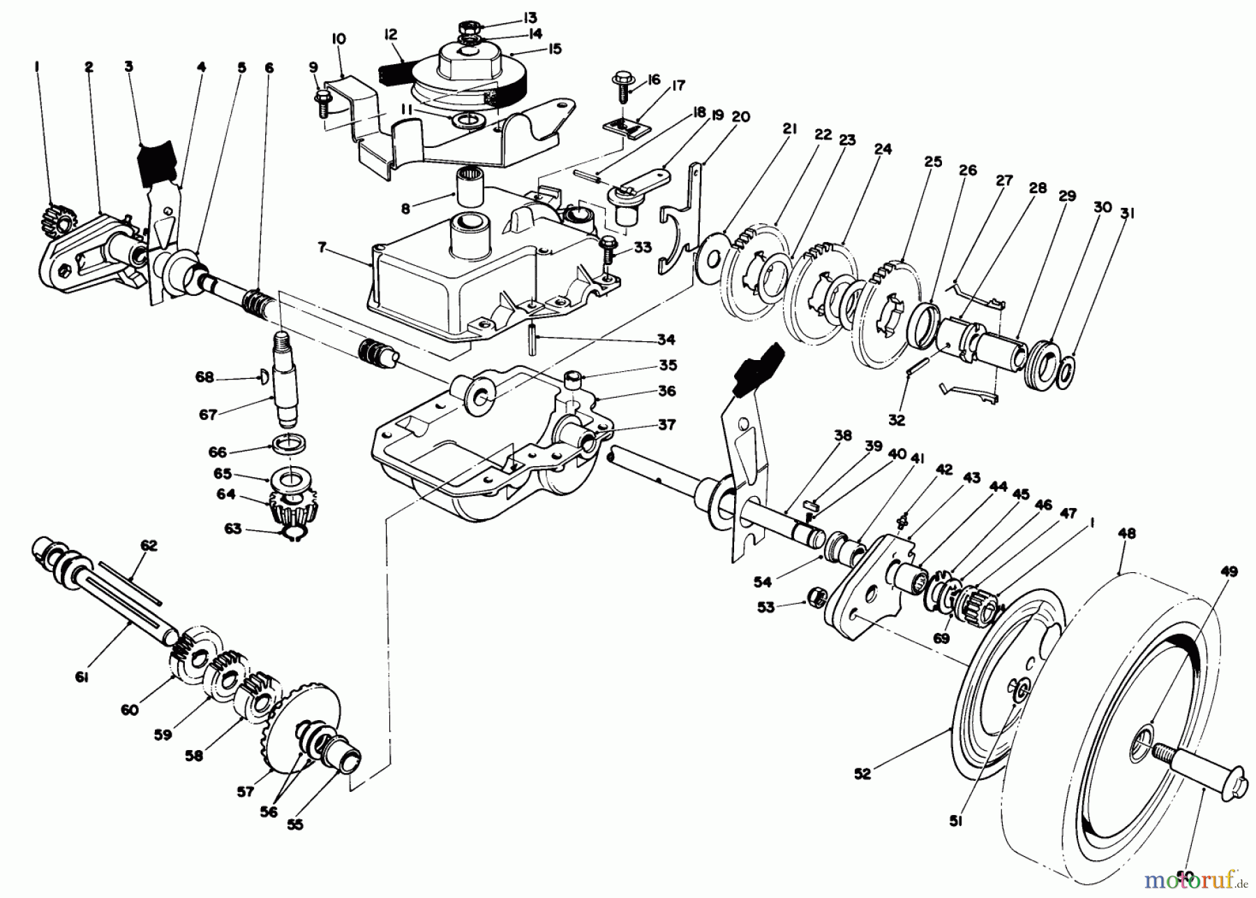
Toro 20684 - Lawnmower, 1987 (7000001-7999999) GEAR CASE ASSEMBLY (USED ON UNITS WITH SERIAL NO. 7000001-7027356) Ersatzteile
GEAR CASE ASSEMBLY (USED ON UNITS WITH SERIAL NO. 7000001-7027356) 20684 - Toro Lawnmower, 1987 (7000001-7999999)

Hier finden Sie die Ersatzteilzeichnung für Toro Neu Mowers, Walk-Behind Seite 1 20684 - Toro Lawnmower, 1987 (7000001-7999999) GEAR CASE ASSEMBLY (USED ON UNITS WITH SERIAL NO. 7000001-7027356). Wählen Sie das benötigte Ersatzteil aus der Ersatzteilliste Ihres Toro Gerätes aus und bestellen Sie einfach online. Viele Toro Ersatzteile halten wir ständig in unserem Lager für Sie bereit.










