Einkaufswagen
Mein Konto

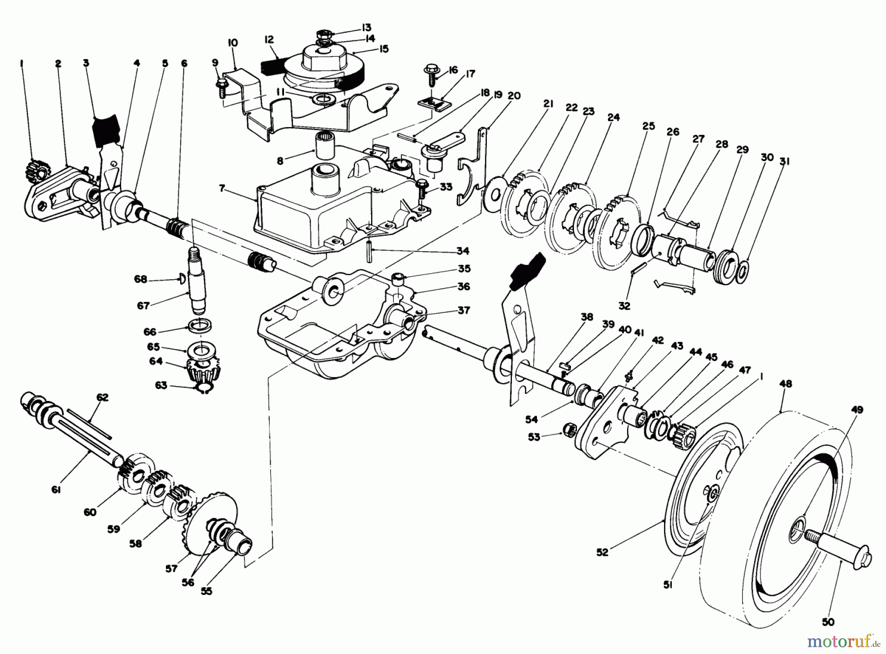
Toro 20680 - Lawnmower, 1986 (6000001-6999999) GEAR CASE ASSEMBLY Ersatzteile

GEAR CASE ASSEMBLY 20680 - Toro Lawnmower, 1986 (6000001-6999999)

 Toro Neu Mowers, Walk-Behind Seite 1 20680 - Toro Lawnmower, 1986 (6000001-6999999) GEAR CASE ASSEMBLY

Hier finden Sie die Ersatzteilzeichnung für Toro Neu Mowers, Walk-Behind Seite 1 20680 - Toro Lawnmower, 1986 (6000001-6999999) GEAR CASE ASSEMBLY. Wählen Sie das benötigte Ersatzteil aus der Ersatzteilliste Ihres Toro Gerätes aus und bestellen Sie einfach online. Viele Toro Ersatzteile halten wir ständig in unserem Lager für Sie bereit.

BildNrArtikel NummerBezeichnung
1 TR39-9160Zahnrad
2 TR49-7720PIVOT ARM ASM RH
3 TR25-7740Hebelknopf
4 TR44-1010Einstellhebel
5 TR42-3520CAP-END
6 TR24-7922Verkleidung
7 TR11-8709DISCONTINUED
8 TR47-6720BEARING
9 TR12-3270Schraube
10 TR49-8460BELT GUIDE BRKT*B
11 TR36-4790WASHER-THRUST
12 TR36-8070Keilriemen
13 TR3296-5Stopmutter
14 TR3256-45Scheibe
15 TR39-6740Keilriemenscheibe
16 TR32144-11Schraube
17 TR62-3720CLAMP-CABLE
18 TR32121-99Spannhuelse
19 TR29-9560Hebel
20 TR60-8870Schaltklaue
21 TR29-9690Scheibe
22 TR42-4740Zahnrad 38 Zaehne
23 TR36-4770WASHER
24 TR29-9271Zahnrad
25 TR46-3560Zahnrad
26 TR55-8020Keilarretierung
27 TR29-9330Schiebekeil
28 TR55-8010Gleitbuchse
29 TR39-6720SLEEVE
30 TR29-9340Stellring
31 Toro ScheibeTR36-4780Scheibe
32 TR32121-108Stift
33 TR49-2040Schraube
34 TR32121-100Spannhuelse
35 TR29-9570Buchse
36 TR29-9410Gehaeuse u.T.
37 TR47-5220Buchse
38 TR12-4779Welle
39 TR39-9680KEY RECTANGULAR
40 TR39-9650Feder
41 TR47-2890Buechse
42 TR302-56Schmiernippel
43 TR49-7710Radaufhaengung
44 TR48-2060Nadellager
45 TR49-7690Scheibe
46 TR49-7700Scheibe
47 TR32151-61Sicherungsring
48 Toro RadTR14-9959Rad
49 Toro BuchseTR27-6250Buchse
50 Toro RadbolzenTR27-6231Radbolzen
51 Toro ScheibeTR40-1940Scheibe
52 TR52-4860Radabdeckung
53 TR32153-11Mutter
54 Toro SimmerringTR47-6730Simmerring
55 TR52-5410Lagerbuechse
56 Toro LagerscheibeTR36-4791Lagerscheibe
57 TR39-6670Kegelrad
58 TR46-3540Zahnrad
59 TR46-3550Zahnrad
60 TR39-6650Zahnrad
61 TR46-9470INTERMEDIATE SHAFT
62 TR39-7843Keil
63 TR32151-57Sicherungsring
64 TR39-6660PINION-BEVEL
65 TR47-2910Scheibe
66 TR47-7260Simmerring
67 TR39-6690Schneckenwelle
68 TR3257-1Keil
TR12-7179Getriebe Kpl.
Rasen
Bankeinzug, MasterCard, Visa, American Express, PayPal, Nachnahme, Vorauskasse, Sofortüberweisung
Qualitätsmanagement
Informieren Sie uns, wenn Sie einen Fehler gefunden haben.