Toro 20677 - Lawnmower, 1990 (0002102-0999999) ENGINE MODEL NO. TNT 100-10104F Ersatzteile
ENGINE MODEL NO. TNT 100-10104F 20677 - Toro Lawnmower, 1990 (0002102-0999999)

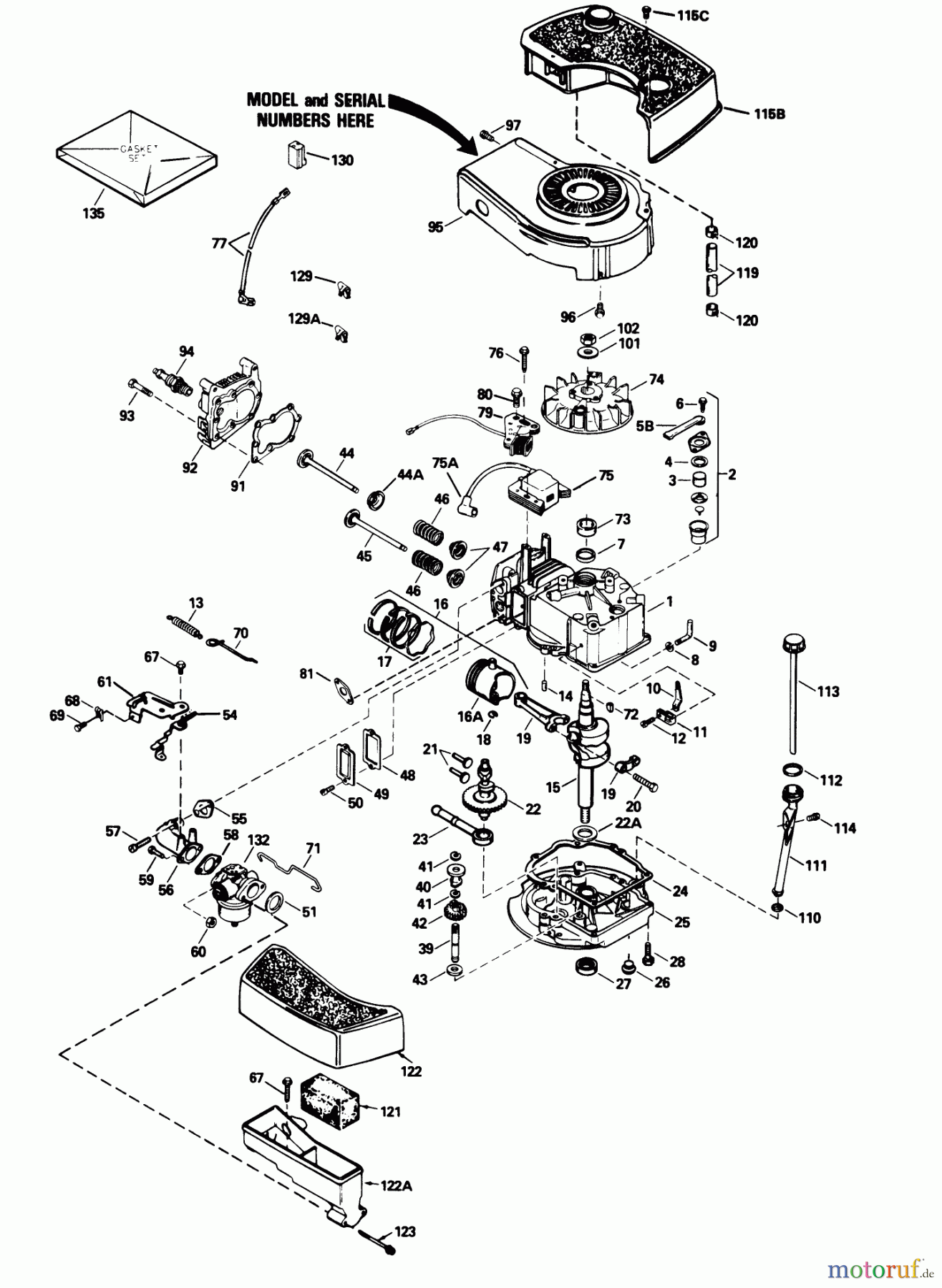
Hier finden Sie die Ersatzteilzeichnung für Toro Neu Mowers, Walk-Behind Seite 1 20677 - Toro Lawnmower, 1990 (0002102-0999999) ENGINE MODEL NO. TNT 100-10104F. Wählen Sie das benötigte Ersatzteil aus der Ersatzteilliste Ihres Toro Gerätes aus und bestellen Sie einfach online. Viele Toro Ersatzteile halten wir ständig in unserem Lager für Sie bereit.


Qualitätsmanagement
Informieren Sie uns, wenn Sie einen Fehler gefunden haben.





