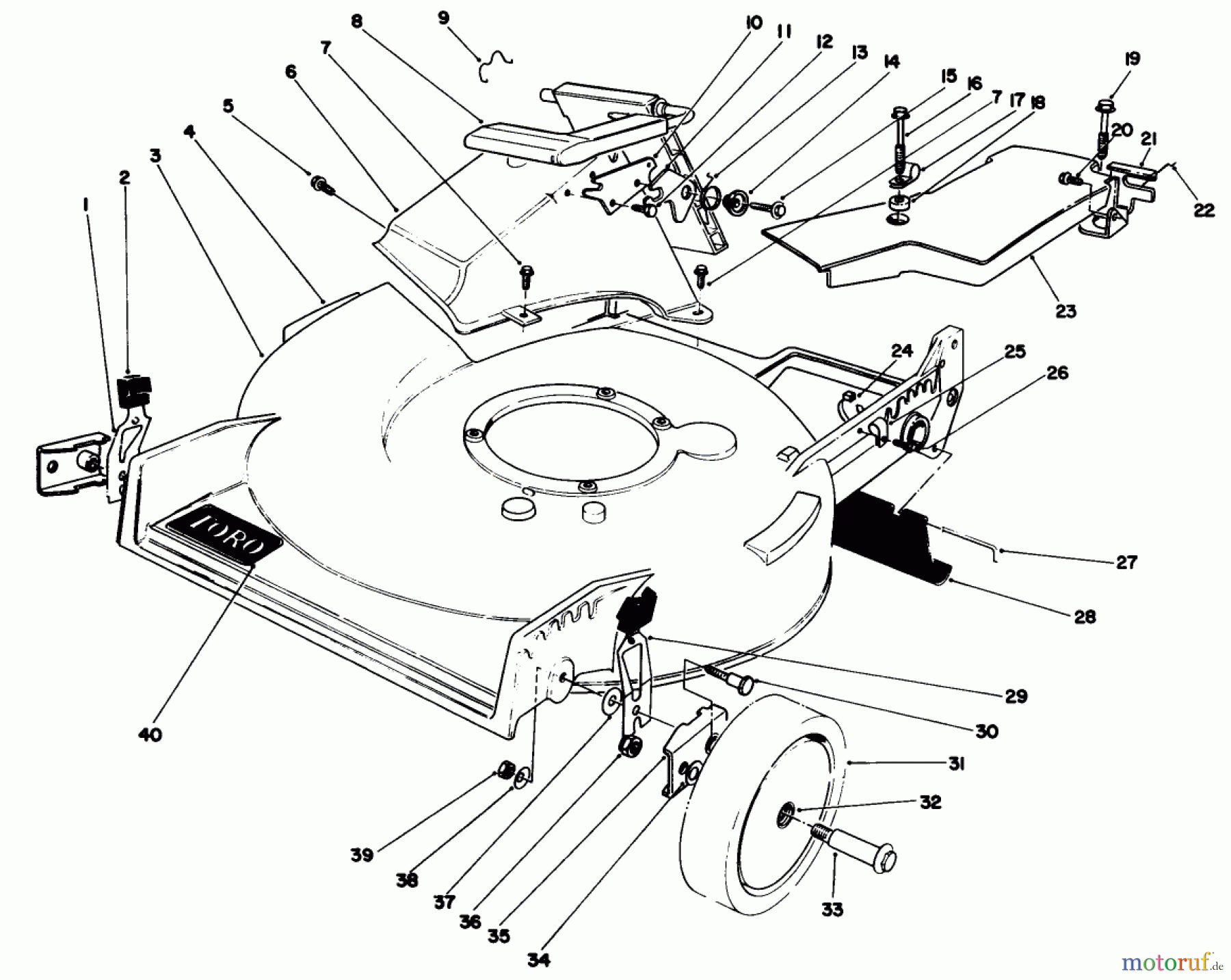
Toro 20677 - Lawnmower, 1989 (9000001-9999999) HOUSING ASSEMBLY (SERIAL NO. 9000101-9003507) Ersatzteile
HOUSING ASSEMBLY (SERIAL NO. 9000101-9003507) 20677 - Toro Lawnmower, 1989 (9000001-9999999)

Hier finden Sie die Ersatzteilzeichnung für Toro Neu Mowers, Walk-Behind Seite 1 20677 - Toro Lawnmower, 1989 (9000001-9999999) HOUSING ASSEMBLY (SERIAL NO. 9000101-9003507). Wählen Sie das benötigte Ersatzteil aus der Ersatzteilliste Ihres Toro Gerätes aus und bestellen Sie einfach online. Viele Toro Ersatzteile halten wir ständig in unserem Lager für Sie bereit.







