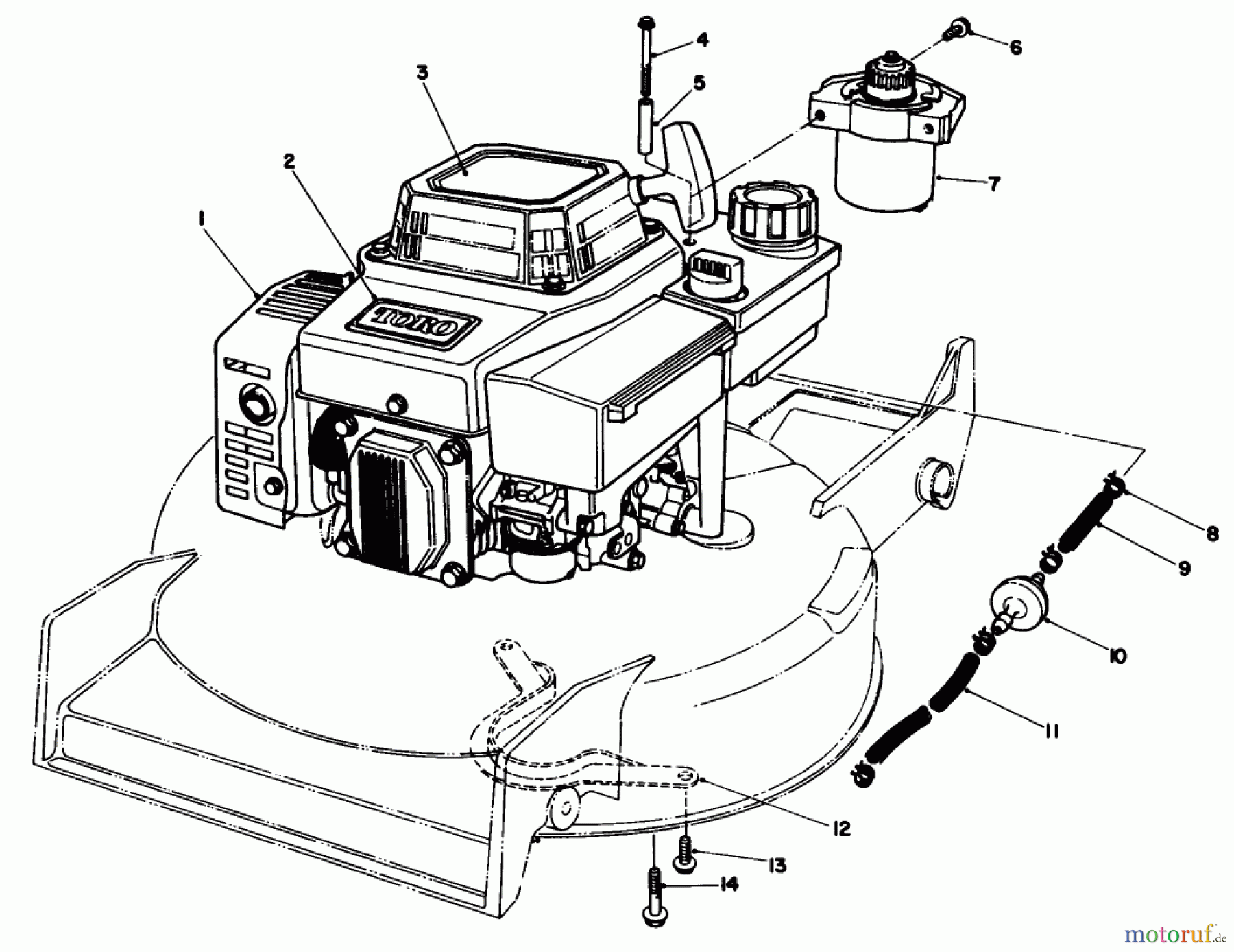
Toro 20624 - Lawnmower, 1987 (7000001-7999999) ENGINE ASSEMBLY (MODEL NO. VMG6)(USED ON UNITS WITH SERIAL NO. 7001734 & UP) Ersatzteile
ENGINE ASSEMBLY (MODEL NO. VMG6)(USED ON UNITS WITH SERIAL NO. 7001734 & UP) 20624 - Toro Lawnmower, 1987 (7000001-7999999)

Hier finden Sie die Ersatzteilzeichnung für Toro Neu Mowers, Walk-Behind Seite 1 20624 - Toro Lawnmower, 1987 (7000001-7999999) ENGINE ASSEMBLY (MODEL NO. VMG6)(USED ON UNITS WITH SERIAL NO. 7001734 & UP). Wählen Sie das benötigte Ersatzteil aus der Ersatzteilliste Ihres Toro Gerätes aus und bestellen Sie einfach online. Viele Toro Ersatzteile halten wir ständig in unserem Lager für Sie bereit.



