Toro 20622 - Lawnmower, 1986 (6000001-6999999) ENGINE ASSEMBLY #1 Ersatzteile
ENGINE ASSEMBLY #1 20622 - Toro Lawnmower, 1986 (6000001-6999999)

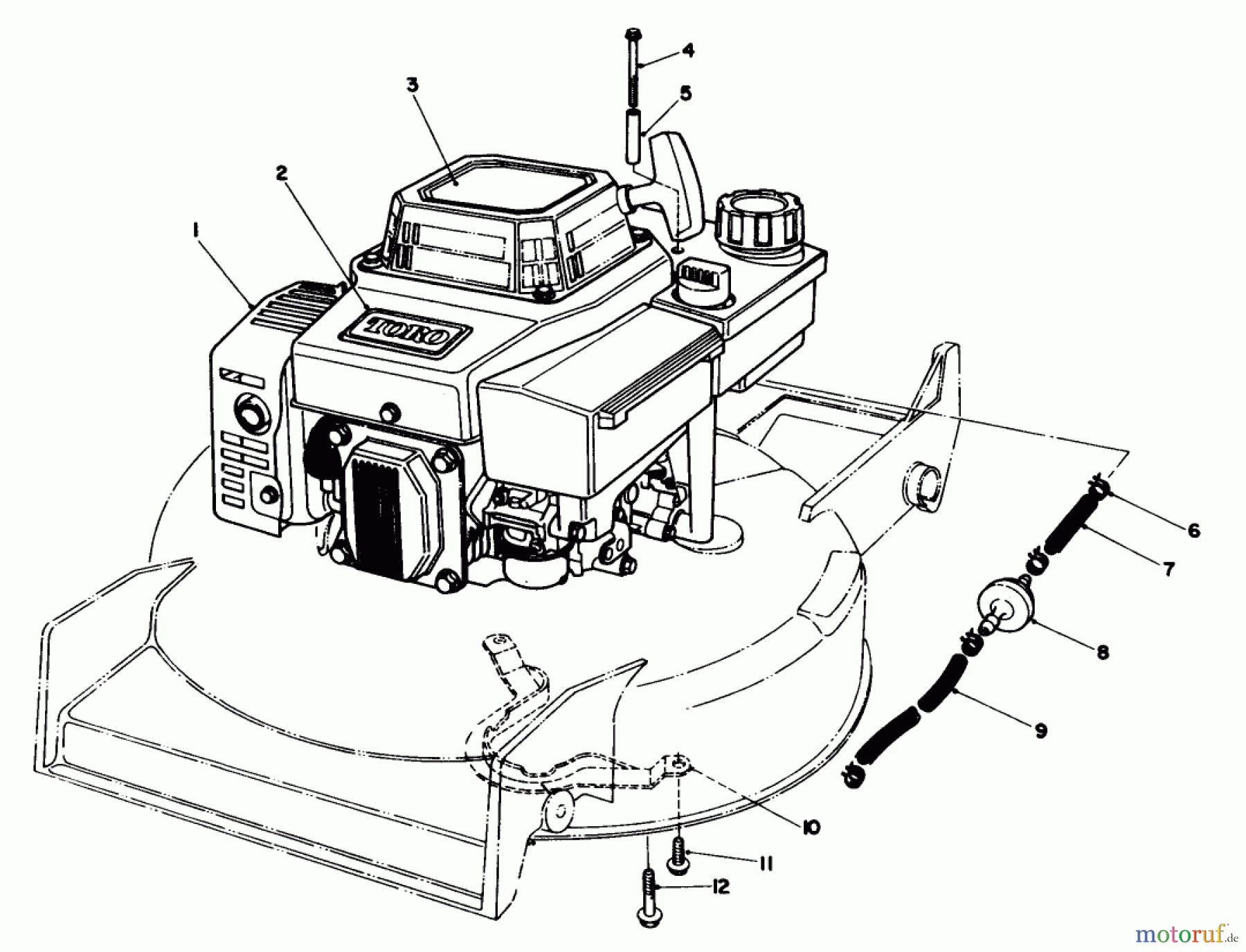
Hier finden Sie die Ersatzteilzeichnung für Toro Neu Mowers, Walk-Behind Seite 1 20622 - Toro Lawnmower, 1986 (6000001-6999999) ENGINE ASSEMBLY #1. Wählen Sie das benötigte Ersatzteil aus der Ersatzteilliste Ihres Toro Gerätes aus und bestellen Sie einfach online. Viele Toro Ersatzteile halten wir ständig in unserem Lager für Sie bereit.
| BildNr | Artikel Nummer | Bezeichnung | |
| 1 | TR | ||
| 2 | TR98-3206 | Toro-Klebeschild | |
| 3 | TR56-6290 | DISCONTINUED | |
| 4 | TR56-6610 | Schraube | |
| 5 | TR57-3830 | Huelse | |
| 6 | TR2412-95 | CLAMP-FUEL LINE | |
| 7 | TR51-3211 | Benzinleitung | |
| 8 | TR56-6360 | VORFILTER | |
| 9 | TR51-3214 | Benzinleitung | |
| 10 | TR40-5720 | Riemenfuehrung | |
| 11 | TR49-2040 | Schraube | |
| 12 | TR32144-102 | Schraube | |


Qualitätsmanagement
Informieren Sie uns, wenn Sie einen Fehler gefunden haben.

