Toro 20588C - Lawnmower, 1988 (8000001-8999999) ENGINE MODEL NO. TVS100-44011B Ersatzteile
ENGINE MODEL NO. TVS100-44011B 20588C - Toro Lawnmower, 1988 (8000001-8999999)

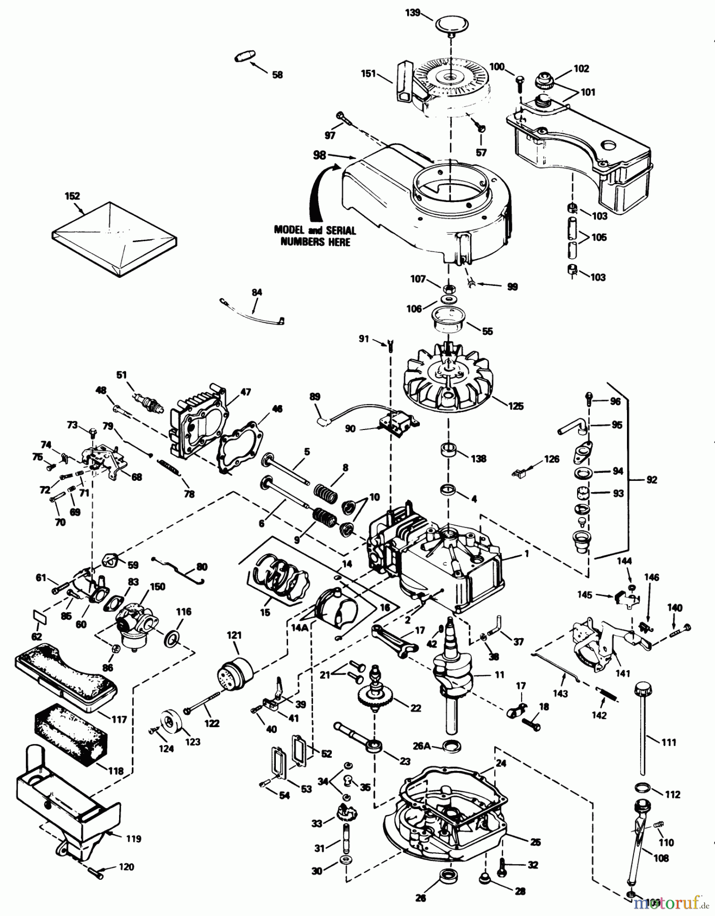
Hier finden Sie die Ersatzteilzeichnung für Toro Neu Mowers, Walk-Behind Seite 1 20588C - Toro Lawnmower, 1988 (8000001-8999999) ENGINE MODEL NO. TVS100-44011B. Wählen Sie das benötigte Ersatzteil aus der Ersatzteilliste Ihres Toro Gerätes aus und bestellen Sie einfach online. Viele Toro Ersatzteile halten wir ständig in unserem Lager für Sie bereit.







