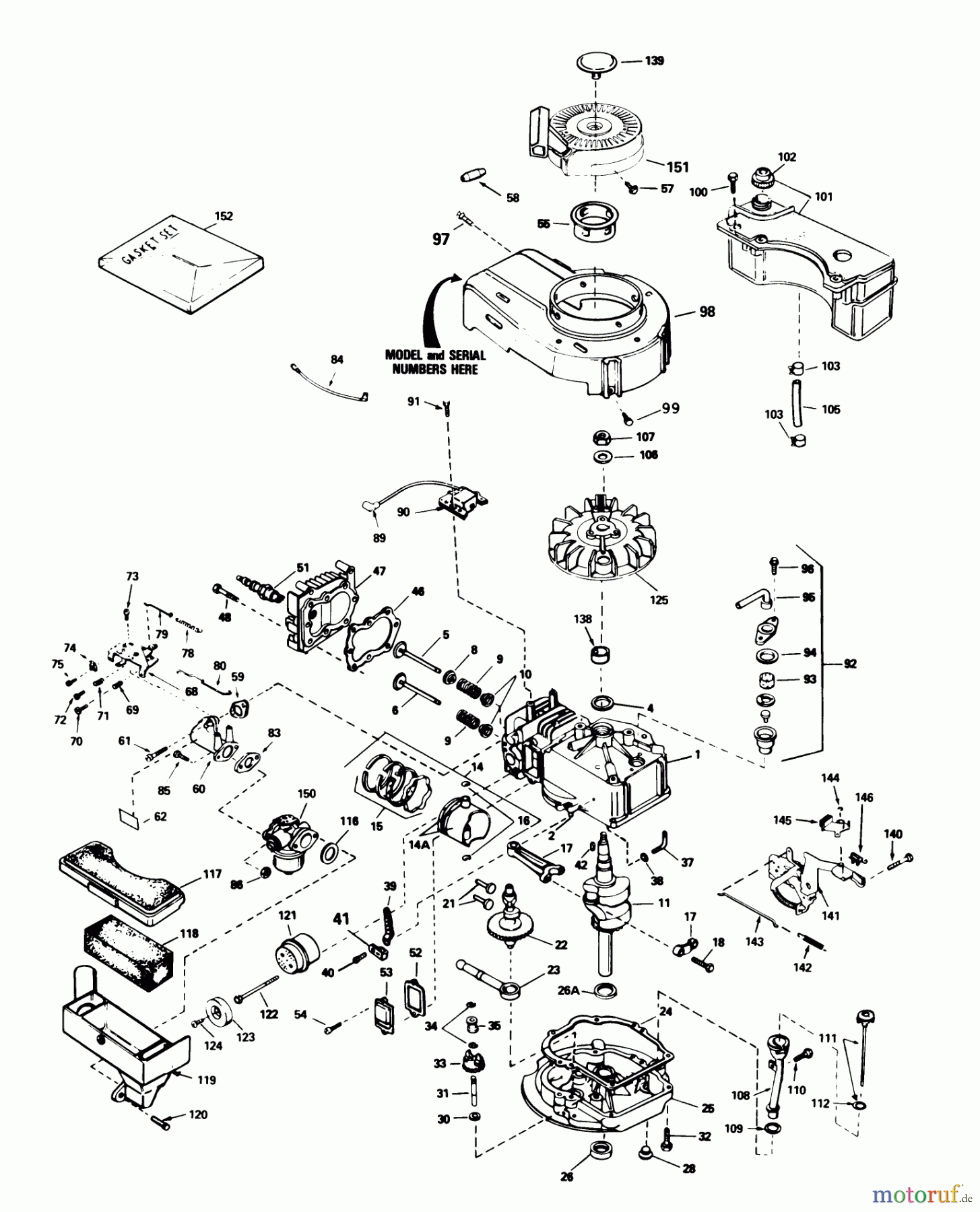
Toro 20588 - Lawnmower, 1987 (7000001-7999999) ENGINE TECUMSEH MODEL NO. TVS100-44011A (USED ON UNITS WITH SERIAL NO. 7004103 & UP) Ersatzteile
ENGINE TECUMSEH MODEL NO. TVS100-44011A (USED ON UNITS WITH SERIAL NO. 7004103 & UP) 20588 - Toro Lawnmower, 1987 (7000001-7999999)

Hier finden Sie die Ersatzteilzeichnung für Toro Neu Mowers, Walk-Behind Seite 1 20588 - Toro Lawnmower, 1987 (7000001-7999999) ENGINE TECUMSEH MODEL NO. TVS100-44011A (USED ON UNITS WITH SERIAL NO. 7004103 & UP). Wählen Sie das benötigte Ersatzteil aus der Ersatzteilliste Ihres Toro Gerätes aus und bestellen Sie einfach online. Viele Toro Ersatzteile halten wir ständig in unserem Lager für Sie bereit.







