Toro 20570 - Lawnmower, 1985 (5000001-5999999) ENGINE TECUMSEH MODEL TNT100-10085E Ersatzteile
ENGINE TECUMSEH MODEL TNT100-10085E 20570 - Toro Lawnmower, 1985 (5000001-5999999)

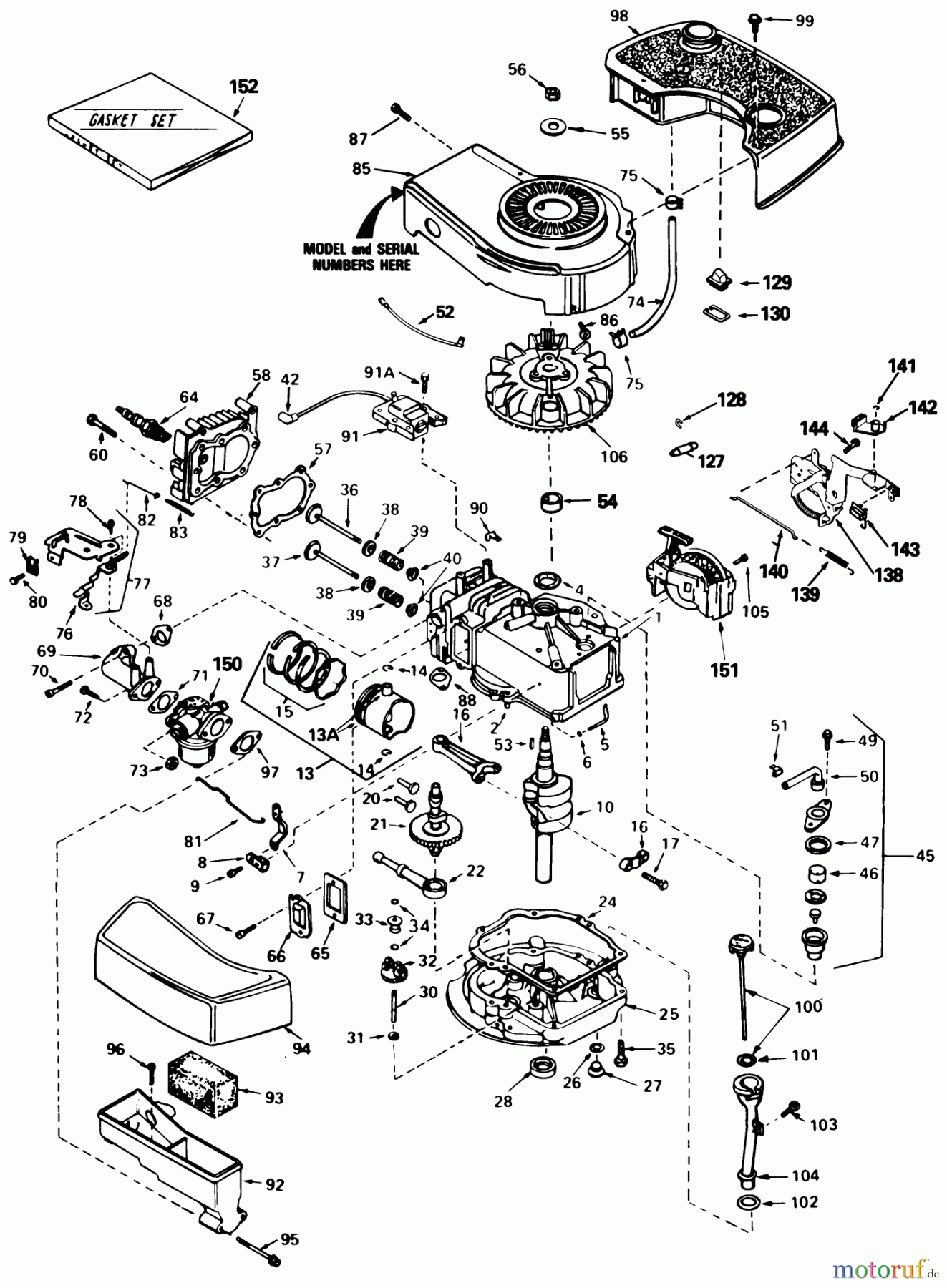
Hier finden Sie die Ersatzteilzeichnung für Toro Neu Mowers, Walk-Behind Seite 1 20570 - Toro Lawnmower, 1985 (5000001-5999999) ENGINE TECUMSEH MODEL TNT100-10085E. Wählen Sie das benötigte Ersatzteil aus der Ersatzteilliste Ihres Toro Gerätes aus und bestellen Sie einfach online. Viele Toro Ersatzteile halten wir ständig in unserem Lager für Sie bereit.







