Toro 20526C - Lawnmower, 1988 (8000001-8999999) AIR CLEANER & FUEL TANK ASSEMBLY (MODEL NO. VMH7) Ersatzteile
AIR CLEANER & FUEL TANK ASSEMBLY (MODEL NO. VMH7) 20526C - Toro Lawnmower, 1988 (8000001-8999999)

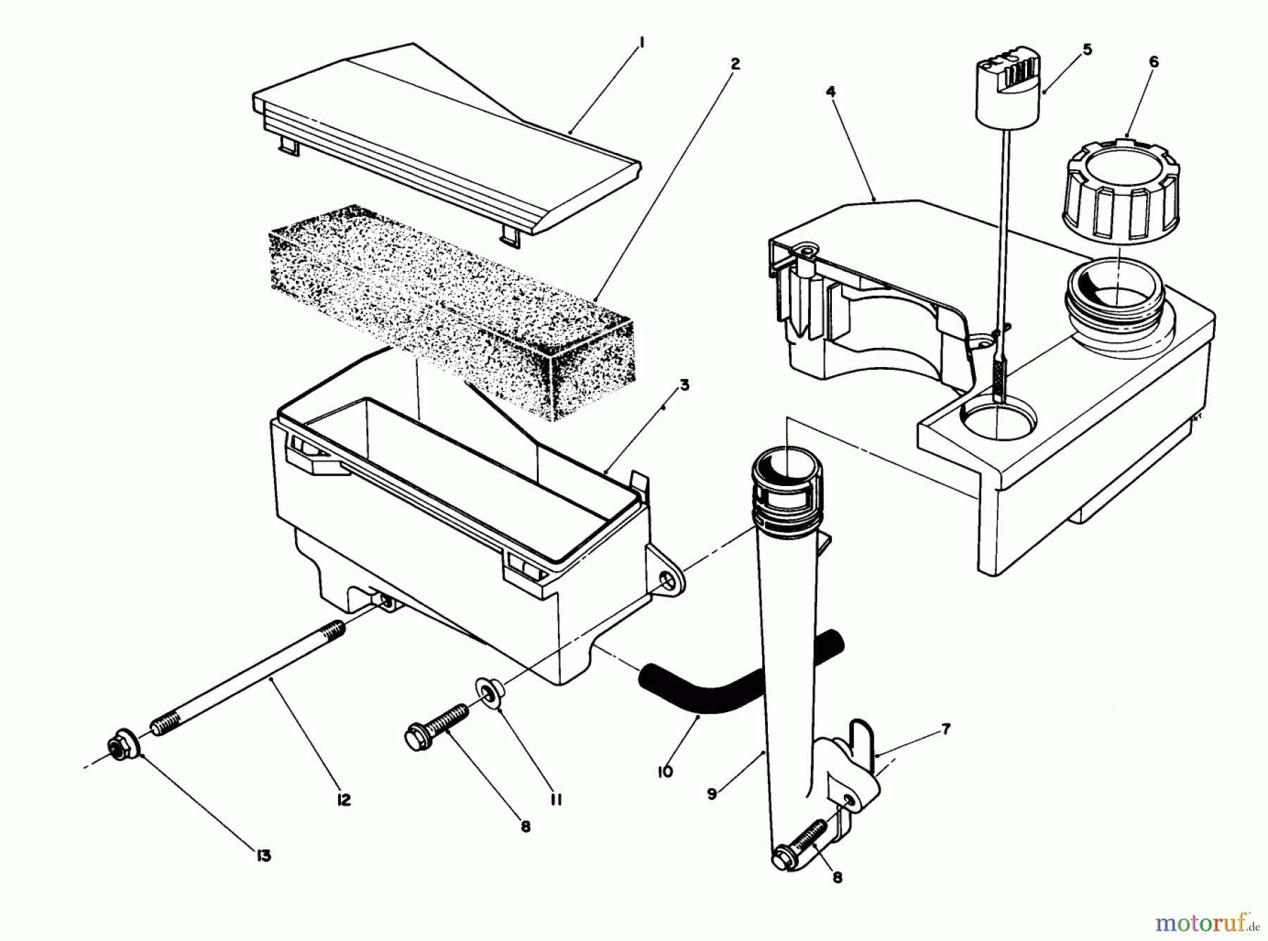
Hier finden Sie die Ersatzteilzeichnung für Toro Neu Mowers, Walk-Behind Seite 1 20526C - Toro Lawnmower, 1988 (8000001-8999999) AIR CLEANER & FUEL TANK ASSEMBLY (MODEL NO. VMH7). Wählen Sie das benötigte Ersatzteil aus der Ersatzteilliste Ihres Toro Gerätes aus und bestellen Sie einfach online. Viele Toro Ersatzteile halten wir ständig in unserem Lager für Sie bereit.
| BildNr | Artikel Nummer | Bezeichnung | |
| 1 | TR81-4110 | Luftfilterdeckel | |
| 2 | TR81-4120 | FOAM | |
| 3 | TR81-4240 | AIR CLEANER | |
| 4 | TR55-3530 | TANK ASM | |
| 5 | TR81-4730 | Oelmessstab | |
| 6 | TR55-3570 | GAS CAP ASM | |
| 7 | TR81-4150 | O-RING | |
| 8 | TR81-4160 | Schraube | |
| 9 | TR81-4170 | Oeleinfuellrohr | |
| 10 | TR81-4180 | Schlauch | |
| 11 | TR81-4200 | Buechse | |
| 12 | TR81-4740 | DISCONTINUED | |
| 13 | TR50-7180 | Mutter | |


Qualitätsmanagement
Informieren Sie uns, wenn Sie einen Fehler gefunden haben.

