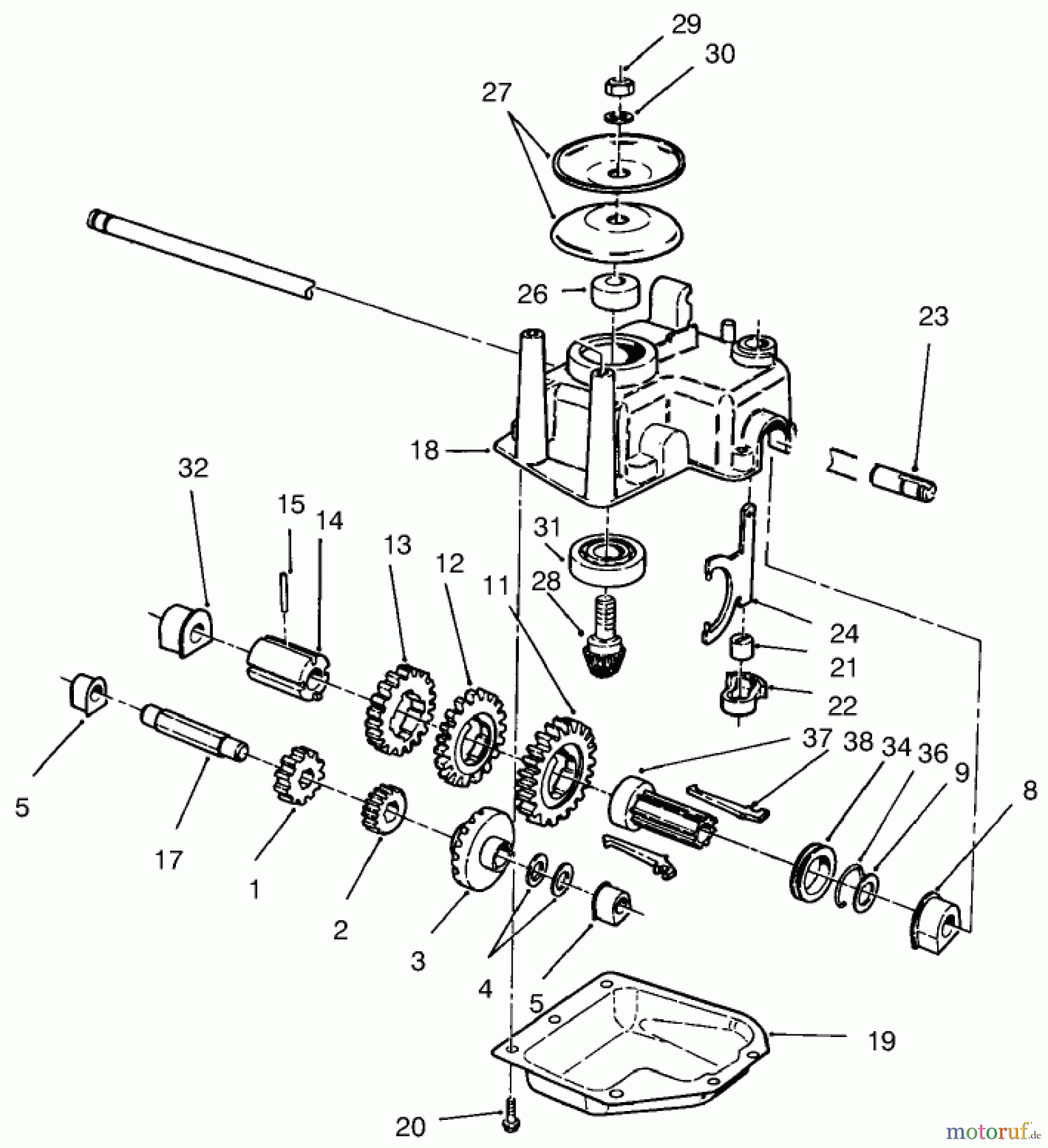
Toro 20488 (SR-21OSE) - Super Recycler Mower, SR-21OSE, 1998 (8900001-8999999) GEAR CASE ASSEMBLY Ersatzteile
GEAR CASE ASSEMBLY 20488 (SR-21OSE) - Toro Super Recycler Mower, SR-21OSE, 1998 (8900001-8999999)

Hier finden Sie die Ersatzteilzeichnung für Toro Neu Mowers, Walk-Behind Seite 1 20488 (SR-21OSE) - Toro Super Recycler Mower, SR-21OSE, 1998 (8900001-8999999) GEAR CASE ASSEMBLY. Wählen Sie das benötigte Ersatzteil aus der Ersatzteilliste Ihres Toro Gerätes aus und bestellen Sie einfach online. Viele Toro Ersatzteile halten wir ständig in unserem Lager für Sie bereit.


Qualitätsmanagement
Informieren Sie uns, wenn Sie einen Fehler gefunden haben.









