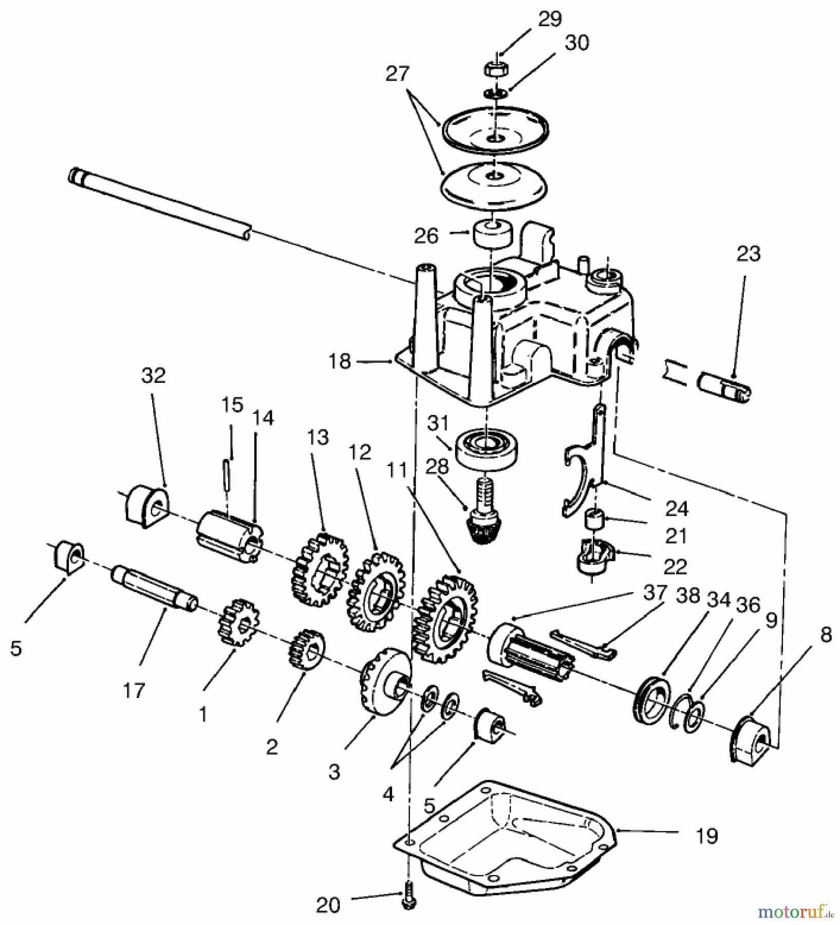
Toro 20487 (SR-21OSBB) - Super Recycler Mower, SR-21OSBB, 1998 (8900001-8999999) GEAR CASE ASSEMBLY Ersatzteile
GEAR CASE ASSEMBLY 20487 (SR-21OSBB) - Toro Super Recycler Mower, SR-21OSBB, 1998 (8900001-8999999)

Hier finden Sie die Ersatzteilzeichnung für Toro Neu Mowers, Walk-Behind Seite 1 20487 (SR-21OSBB) - Toro Super Recycler Mower, SR-21OSBB, 1998 (8900001-8999999) GEAR CASE ASSEMBLY. Wählen Sie das benötigte Ersatzteil aus der Ersatzteilliste Ihres Toro Gerätes aus und bestellen Sie einfach online. Viele Toro Ersatzteile halten wir ständig in unserem Lager für Sie bereit.











